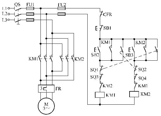
电工电路原理图

互锁电路原理图,电路基础知识,电工必备基础电路
图片尺寸2976x2761
3,零基础学电工-点动与连续运转控制电路(一)(电路与仿真图)
图片尺寸1160x820
老电工讲解:星三角降压启动原理图与接线图,中级电工必考
图片尺寸615x402
熟练的掌握电路图的基本原理是排查故障的第一步,电路原理图是电工
图片尺寸640x467
中级电工实训课题
图片尺寸1168x587
盘点8大经典电工电路原理图-电工千万别错过 值得收藏-kia mos管
图片尺寸482x421
44种电工实用电路图
图片尺寸670x1016
电工必备:22个经典电路图,不会看电路图的电工不算合格电工
图片尺寸640x416
电气分享8个经典电工电路原理图全都搞懂您就是老师傅
图片尺寸644x593
48张常用电动机控制电路图,由易到难,电工接线不求人!
图片尺寸632x392
45张电工常用电动机控制电路图
图片尺寸600x382
电工实操考核中,最重要的7张电路图(行家收藏)
图片尺寸1399x1124
电工必备:22个经典电路图,不会看电路图的电工不算合格电工
图片尺寸640x364
6张经典电路图分析,让你从电工学徒进化成高级电工
图片尺寸640x443
工程科技 电子/电路 维修电工电动机点动与连续运行控制线路原理图
图片尺寸846x635
电工必备电路原理图汇总,个个顶用!
图片尺寸640x629
星三角降压启动电路图原理详解,3张图简单易懂! - 电工基础学习网
图片尺寸636x450
8个经典电工电路原理图
图片尺寸1080x618
45张电工常用电动机控制电路,大多数电工都收藏了!
图片尺寸553x400
定子串电阻降压启动原理图解 - 电动机_电工学习网
图片尺寸650x450