电工考试 线路图

电工面试必考电路图
图片尺寸1080x1410
重庆低压电工实操考试线路图,快来看看你能看懂吗?
图片尺寸2160x3112
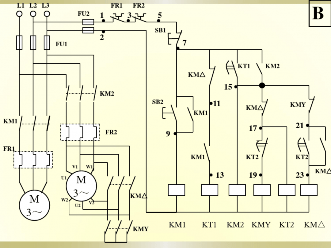
k2-5电气原理图#东莞电工考证培训##东莞电工考试指南##东莞电工实操
图片尺寸1080x1381
图片尺寸1080x1253
电工科目二k24接线图解 科目二考试分为两个考板:a板和b板,学员随机
图片尺寸855x1111
云南昆明特种作业培训.低压电工实操考试接线图#技术分享 #每
图片尺寸1214x1446
低压电工证科目二线路图.#低压电工证 #低压电工证考试 #低
图片尺寸1290x2796
电工知识分享 电工入职常考电路 #工业自动化 #电路接线图
图片尺寸836x1520
合肥低压实操考试原理图#合肥 #合肥电工证 #合肥低压电工证
图片尺寸2160x2718
三相电动机正反转自互锁电路,当年电工入门电路图,画了老半天
图片尺寸1440x1920
电工知识分享 考过中级工的,都经历过这个电路吧#电路接线图
图片尺寸1068x1944
快速学会查看电路图,掌握电工必备技能
图片尺寸1080x1920
电工电路 功能: 按下sb1,电机m1正转运行,松开正转停止; 按下sb2,电机
图片尺寸1469x941
电工必学9张接线图谱,世界任你创
图片尺寸1124x1496
电工识图基础知识,一看就懂!
图片尺寸1080x810
电工必备的电气原理图,掌握这些,技能更上一层楼
图片尺寸1080x791
低压电工实操科目二接线图.#零基础学电工 #特种作业操作证
图片尺寸1284x1546
分享几张电工必备经典电路图电工必备技能值得收藏备用
图片尺寸640x1421
接线图#零基础学电工#电工知识
图片尺寸2160x3888
常见电工电路接线以及实物接线图.#电工知识 #电路 #零基础
图片尺寸1080x1440