电平转换电路

这两个1.8v,3.3v电平转换电路哪个是正确的,本人模电太差看不懂. - 单
图片尺寸785x655
干货| 电平转换的几种实现方式-icspec
图片尺寸1080x501
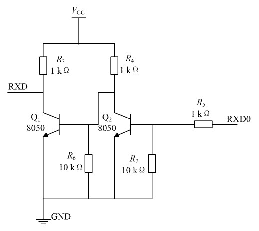
基于三极管的单片机io电平转换电路
图片尺寸601x512
基于atmega16的gsm家居安防报警器系统设计方案-智建社区-中国安防行
图片尺寸519x463
简单的3.3v与5v之间电平相互转换的电路
图片尺寸596x362
求三极管24v逻辑电平转换电路?低电平输出改高电平输出.(plc锁了,不能
图片尺寸394x312
常用通讯电平转换电路整理
图片尺寸755x487
关于电平转换的问题 - 电源管理 - 电源管理 - ti e2e™ 中文社区
图片尺寸708x649
【电子干货32】双向电平转换电路 - 维科号
图片尺寸942x425
5v io电平转3.3v最好的办法是什么? - 24小时必答区 单片机论坛
图片尺寸1151x477
干货| 电平转换的几种实现方式|方向|三极管|导通|vgs_网易订阅
图片尺寸636x471
电平转换电路中二极管起什么保护作用_百度知道
图片尺寸376x312
几个常用的3.3v电平与5v电平的转换电路
图片尺寸532x556
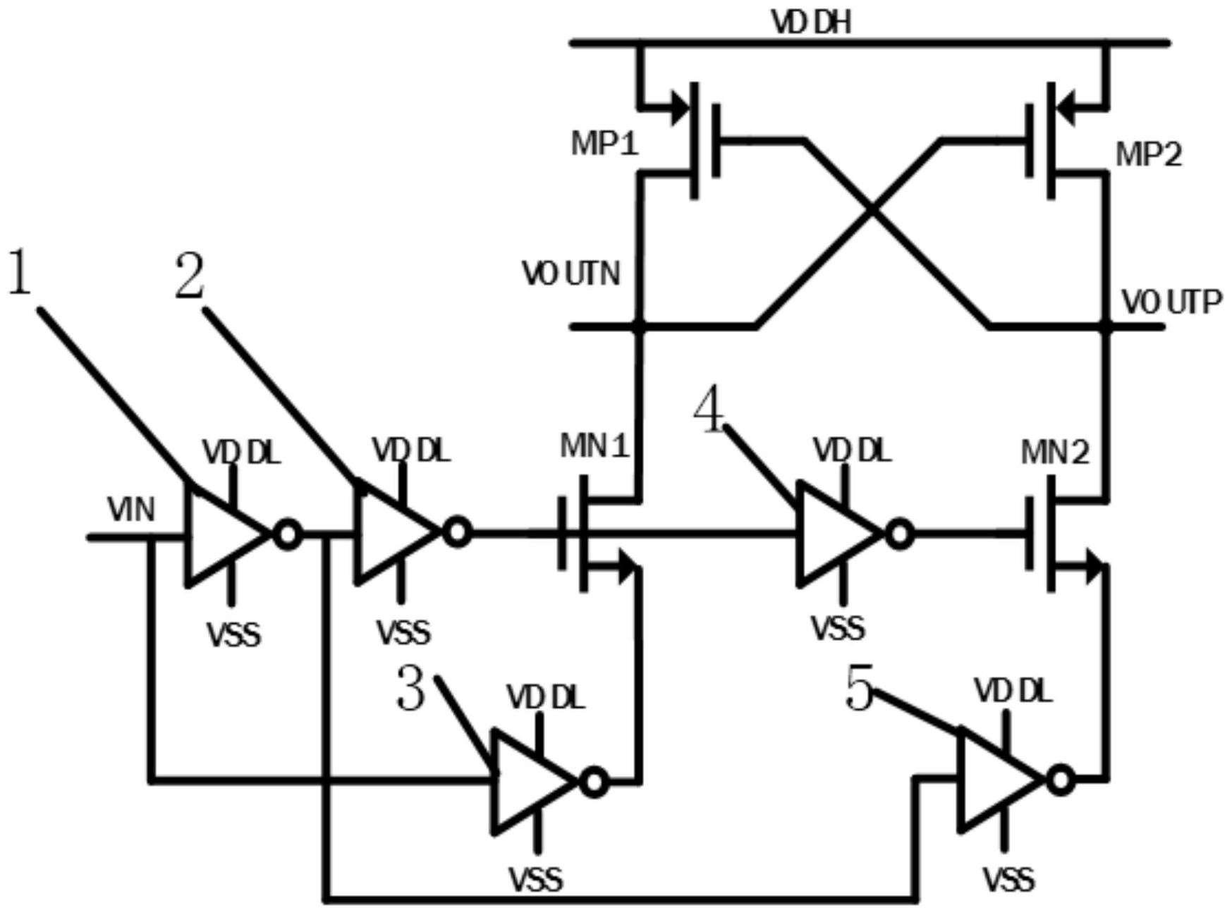
一种低输入电源幅度的电平转换电路专利_专利查询 - 天眼查
图片尺寸1747x1298
常用通讯电平转换电路整理_u72.net
图片尺寸542x446
双向电平转换电路(非常实用!)3.3v-5v-基础知识-硬件基础知识-一牛网
图片尺寸583x444
离线语音茶吧机设计应用案例详解 - 今日头条 - 电子发烧友网
图片尺寸694x426
常用通讯电平转换电路整理
图片尺寸662x258
经典的mos管电平转换电路 - it610.com
图片尺寸650x424
常用的几个低成本电平转换电路 - 面包板社区
图片尺寸789x329