电感电路图 画法

电感在电路中的作用及原理
图片尺寸1062x714
电感在dc-dc升压电路的工作原理
图片尺寸694x414
检查电路后,闭合开关
图片尺寸292x292
如图所示的电路中,l为电感线圈,c为电容器,a,b为两个相同的灯泡,将
图片尺寸1030x700
由于不存在理想的电感器,因此,电感器等效电路模型是由交流电阻,电感
图片尺寸560x316
"图1:电流电感电阻原理图"
图片尺寸1875x2708![[解析] 画出电路图,如图所示.](https://i.ecywang.com/upload/1/img0.baidu.com/it/u=721764205,796785361&fm=253&fmt=auto&app=138&f=JPEG?w=555&h=500)
[解析] 画出电路图,如图所示.
图片尺寸709x639
开关电源中如何选择合适的电感
图片尺寸494x213
断电自感实验的延伸
图片尺寸1772x638
一种差动螺线管式电感传感器测量电路
图片尺寸1599x1372
三脚电感原理
图片尺寸1692x788
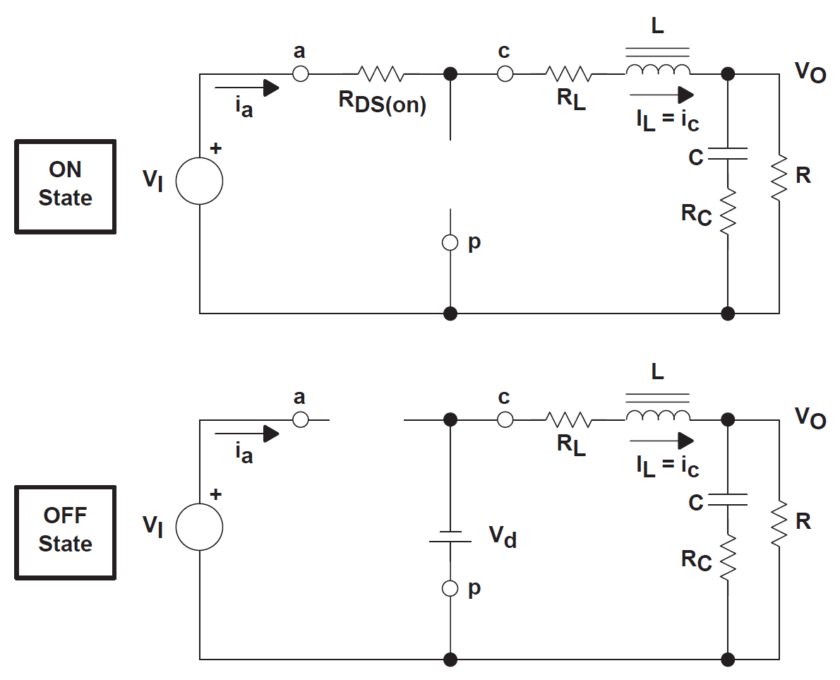
电感
图片尺寸1190x963
共模电感的选型规则
图片尺寸2114x1322
hartley 电感三点式振荡电路
图片尺寸534x877
请问下图的电感电流怎么求啊?
图片尺寸1600x759
电感电路图
图片尺寸509x359
如图所示的电路中,两个不同大小的共模电感,电感小的放电路前面好还是
图片尺寸1159x531
电感,c2电容三个,怎么升?只要能升压就行了,电.
图片尺寸506x372
纯电感电路电压超前电流90°的本质原因
图片尺寸1151x863
电感电路图集合
图片尺寸500x183