电机线路图

18种电机接线电路,你有必要学习!
图片尺寸1080x1899
三相异步电机的基本控制电路
图片尺寸2275x1649
电机正反转实物接线原理图
图片尺寸1369x1280
每日一图,单相电机自动往返运行控制电路.1,实现单相电动机的 - 抖音
图片尺寸1228x778
三相异步电动机单向连续运行控制电路图(共2页)_第1页
图片尺寸920x1302
星三角启动电机接线图
图片尺寸920x1302
电机控制电路合集,这里给收集好了,需要的赶紧收藏
图片尺寸640x928
y-△降压启动控制电路分析 y-△降压启动是异步电
图片尺寸1925x1280
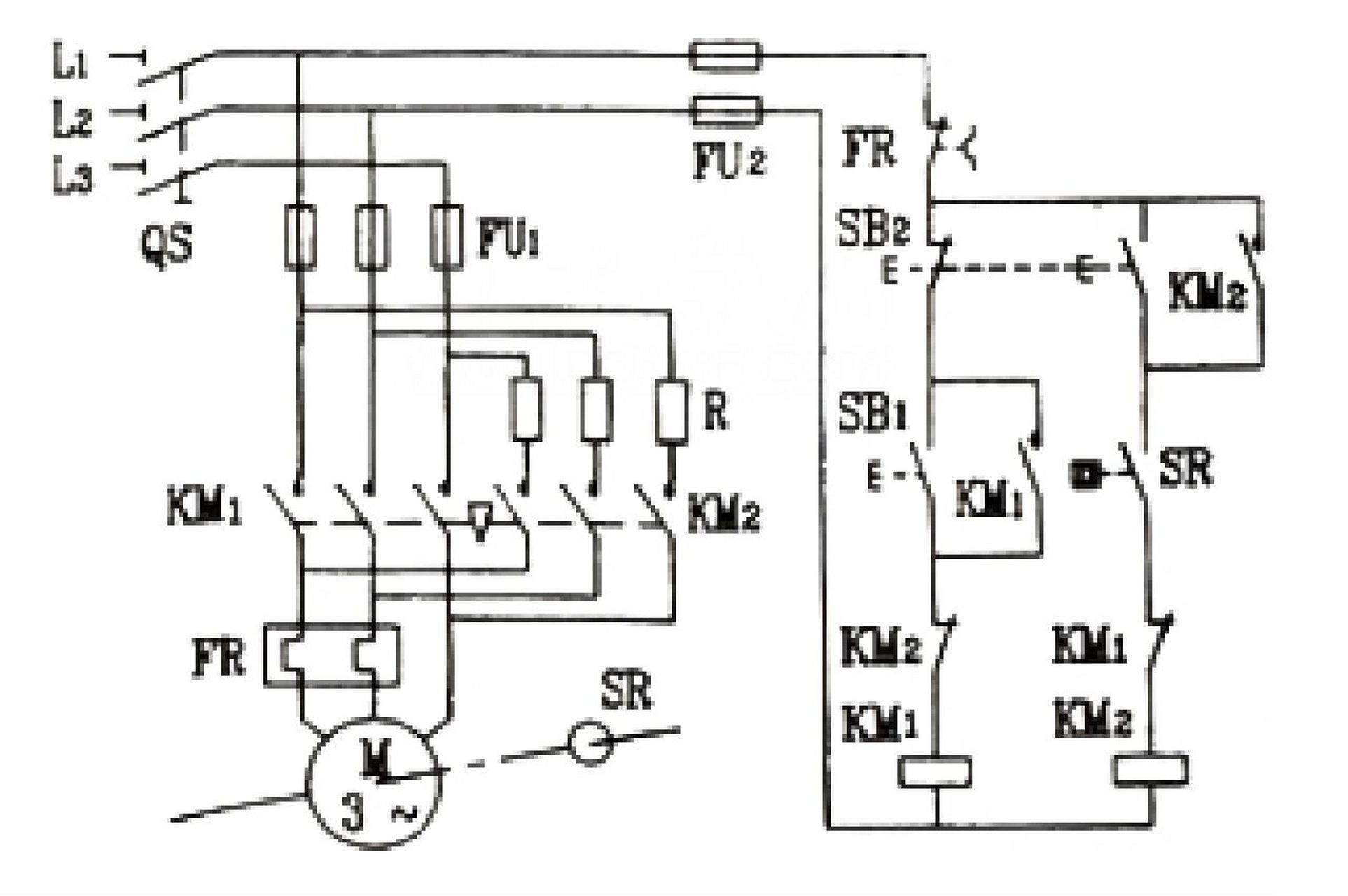
三相电机自动往返行程控制线路电路图解 有些生产机械,如万能铣床
图片尺寸1569x1280
18种电机接线电路,你有必要学习!
图片尺寸1080x1868
18种电机接线电路,你有必要学习!
图片尺寸1080x2052
18种电机接线电路,你有必要学习!
图片尺寸1080x2052
18种电机接线电路,你有必要学习!
图片尺寸1080x1899
18种电机接线电路,你有必要学习!
图片尺寸1080x2052
18种电机接线电路,你有必要学习!
图片尺寸1080x1899
电工常用电动机控制电路(四)
图片尺寸640x488
三相异步电动机的正反转电和及工作原理 电动机正反
图片尺寸1128x1280
双速电机的高速线圈和低速线圈分别由不同的绕组组成,每个绕组都有不
图片尺寸640x490
三相电动机单向启动反接制动控制电路图解 依靠改变电
图片尺寸1925x1280
单相电机接线实物图单相电机如何实现正反转
图片尺寸488x595