电梯对讲机四线接线图

入户对讲机接线图
图片尺寸639x480
四线灯具轨道式接线图
图片尺寸683x384
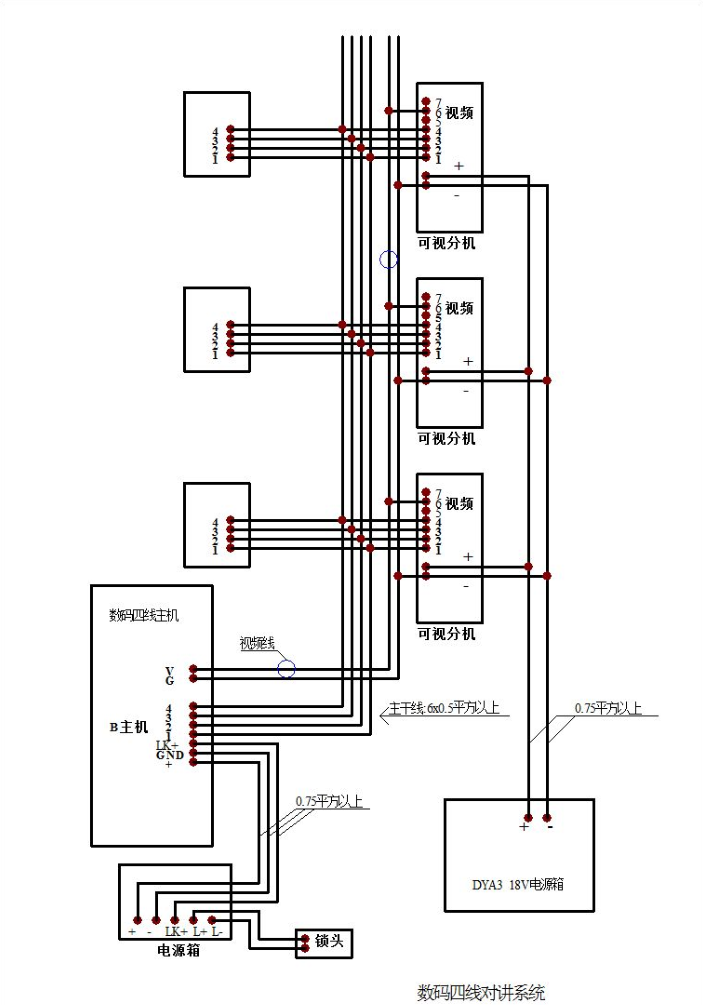
楼宇对讲系统接线图
图片尺寸2763x2184
威视安主机四线非可视代刷卡主机v828zvjk楼宇对讲机楼宇系统
图片尺寸531x800
门禁对讲梯控一卡通
图片尺寸899x1024
立林楼宇对讲/立林对讲/四线非可视主机/jb-2200不锈钢主机_双氙车灯
图片尺寸750x1061
yizhuo 亿卓楼宇对讲系统 非可视室内分机 语音对讲话机 2线分机
图片尺寸750x1210
亿卓直销 1-14户非可视楼宇对讲套装 直按刷卡n 1门铃门禁系统
图片尺寸750x1305
电梯无线对讲gsm插卡lf1271f三网通4g五方通话刘付氏电梯无线对讲gsm
图片尺寸750x960
永安对讲分机/四线对讲分机/直按式分机/楼宇对讲/ ya-98jfc
图片尺寸703x1005
威视安新款四线 victa楼宇电话机4线非可视对讲分机v828fv-f 四线分机
图片尺寸800x1488
【图】振威楼宇对讲 4线制非可视直呼主机wl-02d_接线图分享
图片尺寸979x1129
梯控对讲联动 协议转换器 lk-xt200_电梯管理系统_立控(北京)信息技术
图片尺寸1308x1806
四线系统接线图
图片尺寸394x571
冠林可视对讲室内机接线图_接线图分享
图片尺寸749x559
用广松ncz00d,n3z133 替代振威非可视4线制直呼式楼宇wl02d
图片尺寸1200x2085
二线制一局无线分机机房,轿顶,轿厢,底坑接线示意图二)电梯机房井道
图片尺寸4770x7155
3,系统接线图开锁密码为4位房号 4位密码,不足4位房号在前面加"0".
图片尺寸700x985
电梯五方对讲系统图
图片尺寸2490x3514
远帆品牌别墅可视对讲系统
图片尺寸750x1066