电梯抱闸原理图

lg电梯抱闸电路
图片尺寸1671x1162
三菱凌云-2电梯抱闸回路的深入解析
图片尺寸1079x1476
电磁抱闸制动电路运行原理
图片尺寸2300x1090
电梯故障解析:抱闸继电器不释放的原因
图片尺寸1626x1079
康力电梯安全回路图纸康力电梯安全门锁回路图纸康力电梯抱闸
图片尺寸1012x1440
电梯控制系统的奥秘 🚀
图片尺寸1080x776
apm-81电梯主电路,安全回路与抱闸电路
图片尺寸1711x2175
电梯安全科普:多重保护机制,防坠无忧
图片尺寸1052x704
康力电梯安全回路图纸康力电梯安全门锁回路图纸康力电梯抱闸
图片尺寸1024x1464
北京五洲电梯安全回路与抱闸电路
图片尺寸912x1378
蒂森尚途tic
图片尺寸720x1017
北京富而瑞电梯安全回路与抱闸电路
图片尺寸1448x2258
lift电梯抱闸,安全回路门锁回路图分析
图片尺寸1080x482
电梯结构图原理图之一张图了解电梯结构原理#电梯维保 #电梯
图片尺寸1080x1679
干货:三菱电梯抱闸电路分析
图片尺寸1080x1440
蒂森电梯抱闸检测(适用于蒂森mc2系统)
图片尺寸1080x764
东芝620电梯安全回路详解:从电源到主板
图片尺寸1080x1890
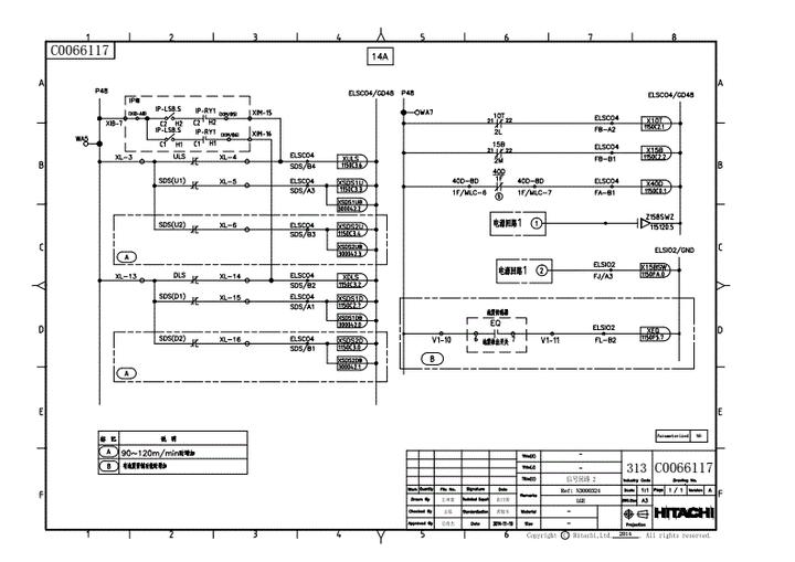
日立lge电梯电气原理图
图片尺寸720x509
电气抱闸由什么结构组成?原理是什么?
图片尺寸940x734
蒂森尚途tic
图片尺寸720x1017