电梯绳头组合图解

锲块式电梯曳引钢丝绳锥套与钢丝绳的组装绳头组合
图片尺寸594x733
无忧文档 所有分类 工程科技 信息与通信 电梯系统简介ppt 绕绳方式与
图片尺寸1080x810
我公司主要产品为电梯配件之绳头组合,导向轮及绳轮组件,压导板
图片尺寸1646x520
电梯安装钢丝绳
图片尺寸783x882
供应绳头组合,弹簧绳头 ,电梯绳头组合
图片尺寸877x627
通力 供应通力电梯配件—Φ8-10绳头组合
图片尺寸824x591
原装电梯绳头组合/适用绳头棒组件钢丝绳楔块锥套蒂森8/10mm 8mm
图片尺寸800x800
安全用梯专题培训_安全管理网
图片尺寸800x600
曳引电梯基础ppt
图片尺寸1080x810
双鸽dht-z型环链电动提升机;dht-z 1t*3m 控制线和电源线12m 定制款
图片尺寸790x900
电梯的构成:电梯八大系统在曳引式提升机构中,钢丝绳悬挂在曳引轮绳槽
图片尺寸640x480
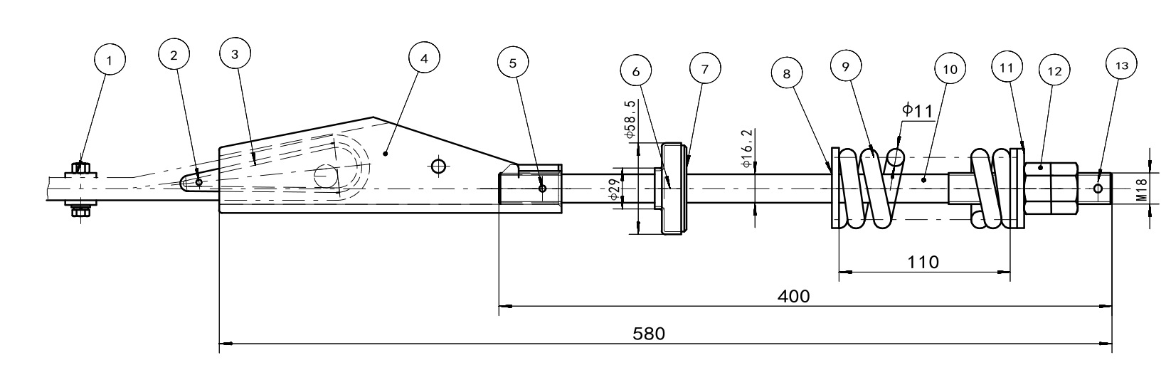
电梯曳引绳头组合装配图机械设备cad图
图片尺寸900x635
曳引电梯原理 (gb 7588—2003)对曳引驱动电梯的定义: 提升绳靠主机的
图片尺寸960x1280
12垂直电梯安装培训教材ppt
图片尺寸1080x810
46 曳引绳绕绳传动方式电梯曳引钢丝绳
图片尺寸1024x779
电梯钢丝绳头抖动异响分析(一)#电梯交流
图片尺寸1242x932
家用电梯曳引机对重及对重绳头组合结构
图片尺寸666x890
通力电梯安装指南 安装指导
图片尺寸676x1036
绳头板安装解决方案--- 传感器安装于电梯绳
图片尺寸587x471
供应电梯配件绳头组合 规格齐全 Φ13绳头组合
图片尺寸1920x1920