电气控制系统原理图

plc控制的变频/工频自动切换电路详解
图片尺寸1280x941
每日一图,双电源保护控制电路#维修电工 #电气控制 #电工电 - 抖音
图片尺寸706x562
搅拌机的电气控制电路
图片尺寸1701x1493
小型冷库安装的电气控制电路原理讲解
图片尺寸2479x1754
1,电气系统
图片尺寸5410x3395
能耗制动控制电路图分享一下#零基础学电工 #电气控制 #pl - 抖音
图片尺寸1440x2712
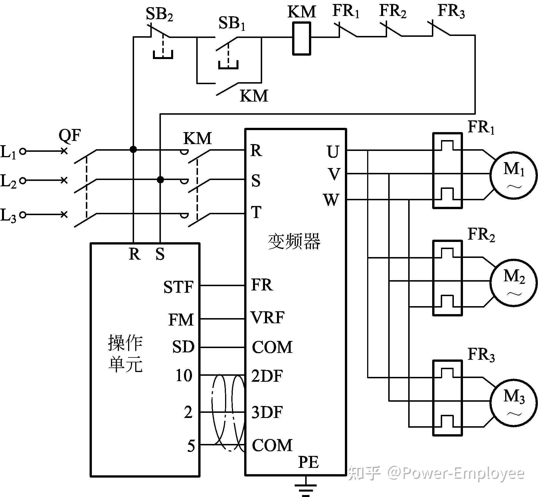
求一台变频器控制1台电机的电气原理图
图片尺寸1886x1742
型普通卧式车床的控制
图片尺寸1691x2486
老师给的这么专业的控制线路图我硬是觉得太复杂了考试时候看起来不
图片尺寸759x662
什么是控制回路 控制回路和主回路的关系 - 酷爱电子网
图片尺寸1679x1550
b758-全自动洗衣机plc控制系统设计-机械机电-龙图网
图片尺寸887x626
c786-z3050摇臂钻床电气控制系统设计-机械机电-龙图网
图片尺寸993x705
新能源汽车控制电气图纸(新能源汽车的电路图识读规则)
图片尺寸2040x1516
电气原理图分享 功能:一键启停 1.
图片尺寸1061x671
一单x62w型卧式万能铣床电气控制原理图完成
图片尺寸1270x880
电气原理图 功能:两台电机的交替运行 1.
图片尺寸1921x1080
2.1电气控制系统图
图片尺寸1728x1080
一页 相关主题 你可能喜欢 液压图解 液压基础知识 液压符号 系统故障
图片尺寸3498x2368
28例电气自动控制电路图,都是干货,快收藏吧!
图片尺寸1940x2893
来电后自动再起动电路两条运输原料传送带的电气控制电路多台电动机
图片尺寸1080x757