电源cr18818电路原理图

汽车音响开关电源电路
图片尺寸1708x1046
cr6842供电电压浮动太大问题-电源网
图片尺寸600x321
反激式开关电源电路的测试记录一
图片尺寸1731x830
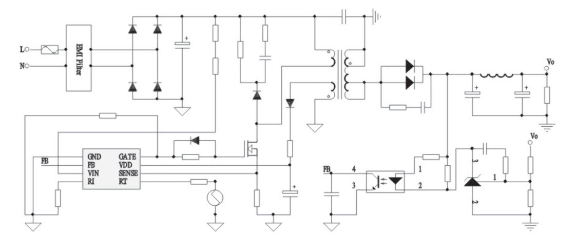
开关电源原理图01.jpg
图片尺寸1337x717
ldo和开关电源在实际电路中的使用
图片尺寸859x537
12v开关电源,用此图作出的开关电源输出电压只有3.
图片尺寸1284x794
sg6841电源电路的修理技巧
图片尺寸900x476
电子元器件 集成电路/ic cr6842,120w内,低成本,大功率 图集
图片尺寸1120x491
电源厂家整理:电源基础电路图集锦
图片尺寸1080x467
开关电源电路原理图
图片尺寸437x267
电源基础电路图大全还不赶紧收藏
图片尺寸583x349
开关电源控制器ic及参考设计原理图详细
图片尺寸1052x541
直流操作设备的汽车电源适配器电路图
图片尺寸1376x524
开关电源系统电源提高效率设计技巧及方法
图片尺寸552x334
5v12a无y电容电源适配器设计cr5243实现高性能低成本
图片尺寸1080x503
无忧文档 所有分类 工程科技 电子/电路 电源设计详细计算参考ppt
图片尺寸1080x810
嘿让我们做一个超低噪声48v幻像麦克风电源怎么样
图片尺寸900x417
电源工程师设计全攻略基础电路图锦集全文
图片尺寸583x349
一款30w,12v输出开关电源电路图
图片尺寸2359x1093
sg6842电路迷惑不解求助
图片尺寸1148x622