电磁抱闸原理图

三相异步电动机电磁抱闸通电制动控制电路
图片尺寸853x678
电机电磁抱闸制动器原理图解
图片尺寸640x427
图2-56电磁抱闸制动器通电制动控制电路
图片尺寸534x304
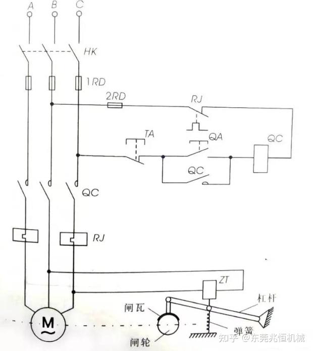
三相异步电动机电磁抱闸断电制动控制电路
图片尺寸687x723
电磁抱闸控制电路
图片尺寸480x469
两种电磁抱闸制动电路原理图
图片尺寸392x448
任务1电磁抱闸制动器制动控制线路的安装与检修ppt
图片尺寸1080x810
任务1电磁抱闸制动器制动控制线路的安装与检修ppt
图片尺寸1080x810
电磁抱闸制动器工作原理示意图 电源 1-弹簧 2-衔铁 3-线圈 4-铁心 5
图片尺寸1080x810
电磁抱闸制动电路图
图片尺寸632x679
断电制动型电磁抱闸的结构及其控制电路图解解决方案华强电子网
图片尺寸374x321
如图21802所示,电磁抱闸制动控制线路的工作原理简述如下:接通电源
图片尺寸405x510
抱闸是运维中常见的重要零部件,实现的是类似于日常生活中常见的刹车
图片尺寸517x645
断电制动的电磁抱闸控制电路
图片尺寸460x403
电机电磁抱闸制动器原理图解
图片尺寸474x440![[问答题] 画出电磁抱闸自动电路图.](https://i.ecywang.com/upload/1/img0.baidu.com/it/u=2401361229,832804738&fm=253&fmt=auto&app=138&f=JPEG?w=312&h=215)
[问答题] 画出电磁抱闸自动电路图.
图片尺寸329x227
电磁抱闸断电制动控制线路 qs fu1 fu2 kh l1 l2 l3 sb1 km km kh sb2
图片尺寸1080x810
电机抱闸原理
图片尺寸823x757
电机抱闸接线
图片尺寸1695x835
电磁抱闸制动控制
图片尺寸620x697