电磁炉电路图讲解

电磁炉电路原理
图片尺寸1581x1044
九阳电磁炉内部电路原理图
图片尺寸829x1229
美的mc-sf182型电磁炉工作原理解析与故障特征.pdf
图片尺寸1553x2417
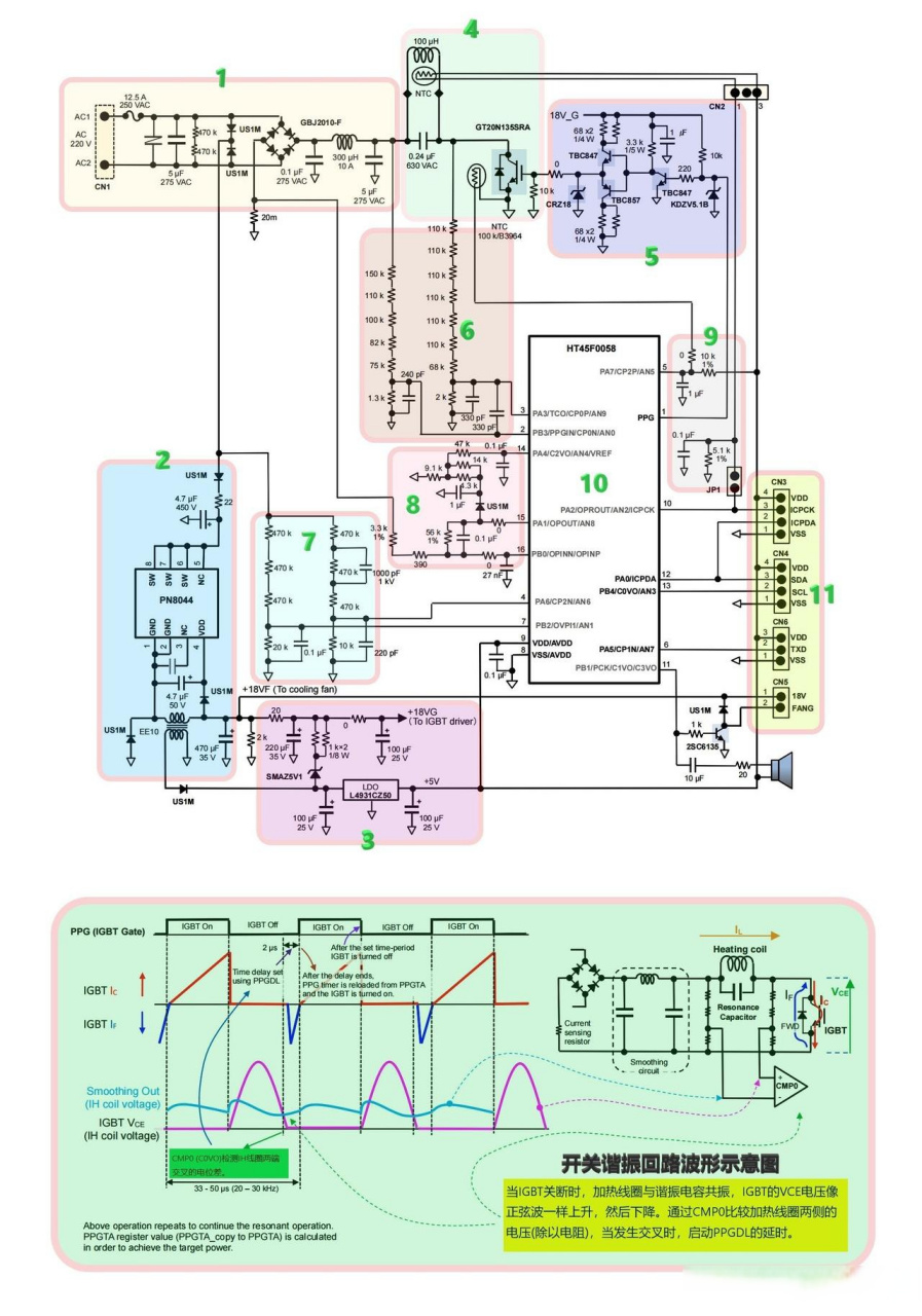
典型的电磁炉电路原理图(含原理剖析)
图片尺寸1152x676
电磁炉电路原理分析
图片尺寸710x474
苏泊尔电磁炉线路图集
图片尺寸920x651
电磁炉电路的识图与检测方法
图片尺寸640x465
美的sy186型电磁炉电路原理图
图片尺寸2452x1688
苏泊尔电磁炉电路图大全doc
图片尺寸920x1302
典型的电磁炉电路原理图(含原理剖析)
图片尺寸1246x824
电磁炉低压电路怎么修 电磁炉低压电路怎么修理视频
图片尺寸811x1179
电磁炉原理图-单片机综合电路图-电子产品世界
图片尺寸954x1341
爱庭电磁炉电路图是怎样的一起来看看
图片尺寸3600x2400
【家用电磁炉电路图】鉴于现在电磁炉技术成熟,价格低廉,现在已经很
图片尺寸897x1280
奔腾pc18c1电磁炉电路图
图片尺寸3571x2628
根据电磁炉出现的上述故障现象,判断该电磁炉的保护电路出现故障,根据
图片尺寸2391x1710
附图12美的mcpy18a型电磁炉主控板电路
图片尺寸2142x1547
无忧文档 所有分类 工程科技 电子/电路 格兰仕电磁炉原理图imp1,hyp1
图片尺寸3416x2665
苏泊尔电磁炉电路图大全
图片尺寸934x1184
电磁炉原理图
图片尺寸1093x724