登高结构图
![[面试真题]高中语文《登高》试讲与答辩参考](https://i.ecywang.com/upload/1/img0.baidu.com/it/u=2011873082,3984157496&fm=253&fmt=auto&app=138&f=JPG?w=500&h=252)
[面试真题]高中语文《登高》试讲与答辩参考
图片尺寸500x252
建筑全钢爬架的升降原理是什么
图片尺寸640x1048
登高爬梯示意图
图片尺寸604x541
厂家定制组合式登高梯移动登高平台钢制货架梯子可定做定制铝合金
图片尺寸1600x1280
cn201125524y_施工现场登高移动平台失效
图片尺寸1440x2083
爬升模板施工ppt
图片尺寸1080x810
新款登高梯组装式踏步梯安全取货梯静音滑轮梯
图片尺寸1660x889
欧家隆登高车仓库登高梯超市库房理货取货带轮可移动平台梯子特司悠
图片尺寸750x954
一种折叠登高脚手架
图片尺寸1372x1369
手把手教你开塔吊打工是不可能打工的
图片尺寸788x563
一种折叠登高脚手架的制作方法
图片尺寸1000x999
易存移动登高车 货架登高梯 安全高承载登高车 梯子 仓储取货登高车
图片尺寸740x801
深圳福田双宽铝合金脚手架爬梯空达铝合金架厂家直销
图片尺寸640x629
etu易梯优,美式移动登高梯 仓库货架登高取货梯 自锁刹车机构,专利
图片尺寸1920x2597
爬升模板是怎么爬的?
图片尺寸1306x1352
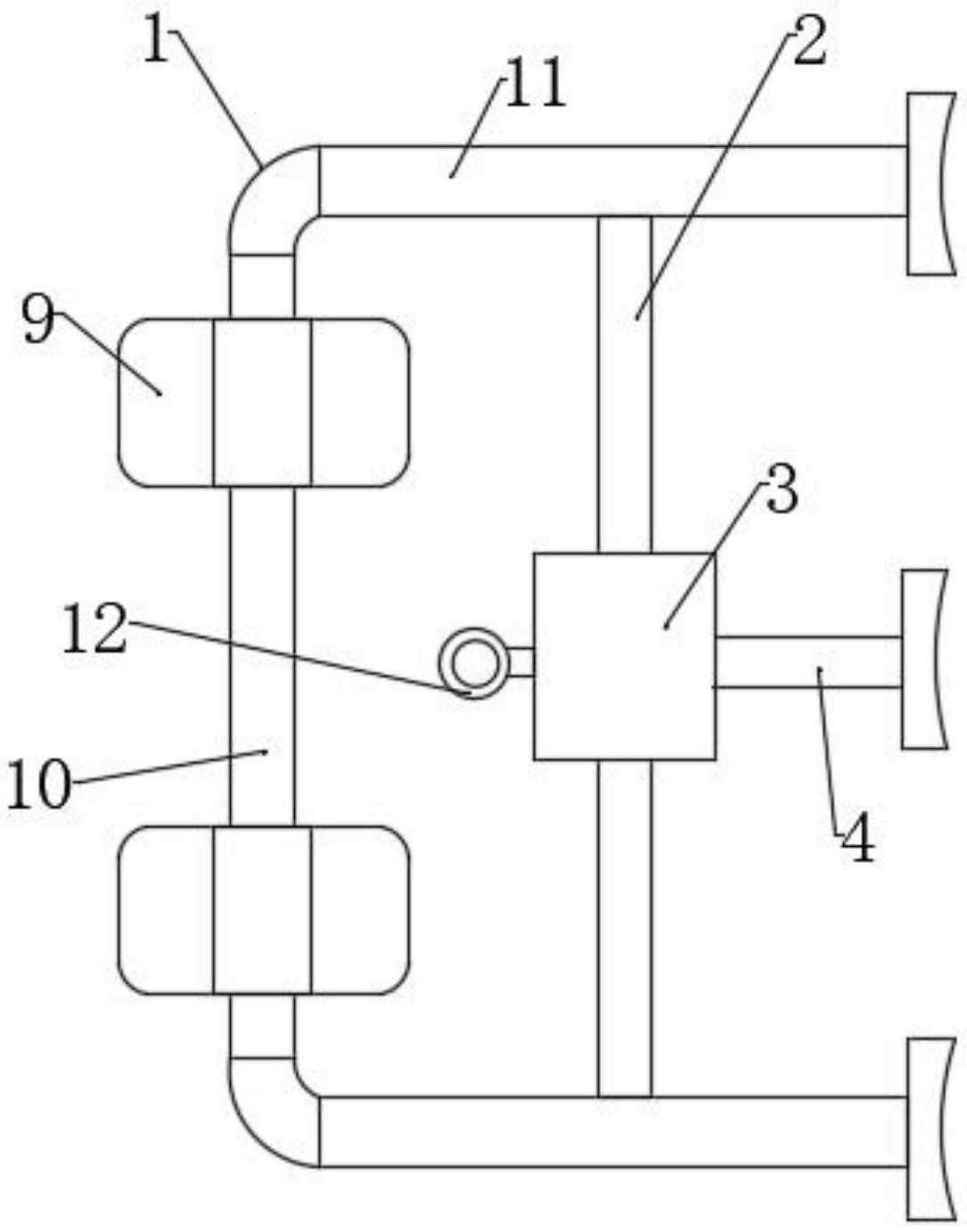
通讯杆塔上用的登高结构
图片尺寸1085x1382
液压升降机厂家履带登高车高空作业车品牌出租费用
图片尺寸717x606
塔吊是如何升高的呢?一篇文章解开大家20多年的疑惑
图片尺寸640x452
14米移动剪叉式升降平台液压升降机高空作业平台
图片尺寸750x589
爬升模板是怎么爬的
图片尺寸600x847