益芳封口机 说明书

封口机使用说明书
图片尺寸920x1303
fr系列多功能自动薄膜封口机说明书
图片尺寸920x1303
台湾益芳全自动奶茶封口机et95sn正品豆浆9590封杯机商用包邮
图片尺寸750x966
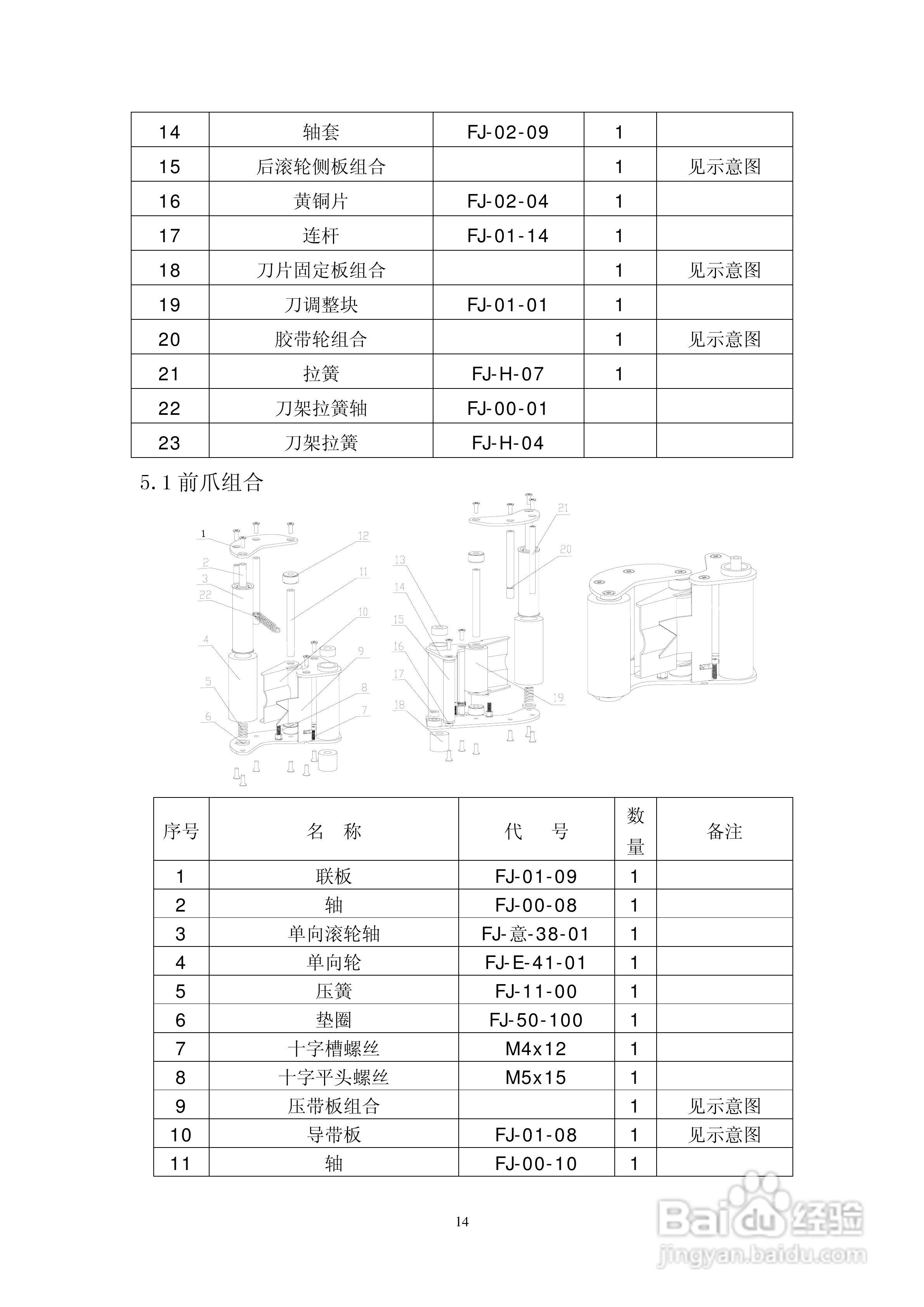
980封口机使用说明书
图片尺寸1395x1892
益芳et-95sn台湾进口全自动奶茶封口机 商用奶茶豆浆饮料封杯机
图片尺寸750x1024
台湾益芳全自动奶茶封口机et95sn正品豆浆9590封杯机商用包邮
图片尺寸750x946
全自动封口机
图片尺寸750x2928
kf -01b电磁感应封口机使用说明书.pdf
图片尺寸792x1120
奶茶封口机全自动封口机奶茶益芳塑料包装机
图片尺寸790x1435
台湾益芳yf全自动珍珠奶茶封口机et95sn台式新款封口
图片尺寸1078x1498
【台湾进口益芳全自动封口机 奶茶封杯机 et-95sn 奶茶连锁店专用】
图片尺寸566x800
益芳全自动封口机商用9095纸塑两用奶茶封口机豆浆饮料果汁智能封
图片尺寸750x1000
封口机益芳et95sn全自动商用奶茶茶店全套豆浆封口
图片尺寸800x800![ys-503自动封箱机说明书:[2]](https://i.ecywang.com/upload/1/img1.baidu.com/it/u=3638937333,3785462691&fm=253&fmt=auto&app=138&f=JPEG?w=500&h=707)
ys-503自动封箱机说明书:[2]
图片尺寸2381x3368
益芳et-95sn台湾进口全自动奶茶封口机 商用奶茶豆浆饮料封杯机
图片尺寸640x939
湾商用917益芳全自动豆封口机95sn奶茶店纸塑通台外卖浆饮料封杯
图片尺寸800x800
鹏翔运达px-hs-20纽扣电池液压封口机说明书第1页
图片尺寸1200x1697
连续式电磁感应铝箔封口机
图片尺寸474x403
mf1504afz全自动封边机说明书1要点
图片尺寸920x1303
益芳全自动封口机商用奶茶店纸塑杯通用冷热豆浆饮料封杯机90专用
图片尺寸800x768