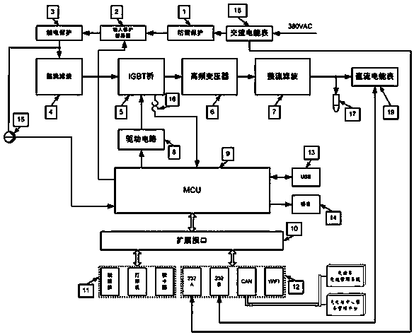
直流充电桩原理图

直流充电桩充电异常分析
图片尺寸883x596
直流充电桩原理.png
图片尺寸700x500
分体式一桩一枪直流充电桩电气原理
图片尺寸1214x880
单枪直流充电桩解决方案
图片尺寸900x413
分体式一桩双枪直流充电桩电气原理
图片尺寸1192x1556
cn106627202a_一种光伏直流充电桩系统有效
图片尺寸1901x902
一种直流式充电系统技术方案,便携式直流充电桩专利_技高网
图片尺寸1000x995
直流充电桩系统的制作方法
图片尺寸1000x570
cn112339603a_电动汽车直流充电桩及充电站
图片尺寸1000x565
一种光伏直流充电桩系统的制作方法
图片尺寸1000x478
电动车直流充电桩制造技术
图片尺寸592x482
电动汽车及其直流充电电路及充电桩的制作方法
图片尺寸1000x659
一种直流充电桩的电源管理系统的制作方法
图片尺寸1000x548
一种一桩两充的电动汽车直流充电桩-爱企查
图片尺寸1948x1371
充电桩工作原理(整理版本)
图片尺寸893x391
电动汽车直流充电桩及充电站的制作方法
图片尺寸1000x605
cn205429846u_电动车直流充电桩有效
图片尺寸585x474
一种直流充电桩测试用变参数混合有源负载及其控制策略
图片尺寸1537x908
cn106314190a_智能直流充电桩有效
图片尺寸1647x683
直流充电桩的基本工作原理及技术发展趋势
图片尺寸1202x412