直流电动机接线图

直流电动机正反转接线图
图片尺寸2024x2497
直流电动机正反转接线图
图片尺寸800x506
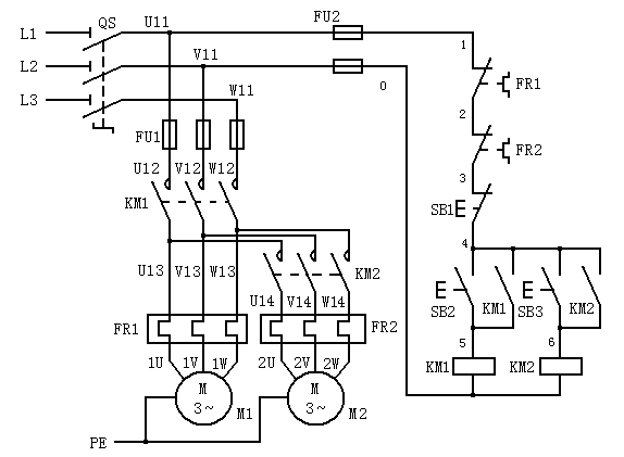
接线图 三相异步电动机维修 三相异步电动机控制电路 常用电路图 直流
图片尺寸893x861
直流无刷电子风扇_接线图分享
图片尺寸700x338
我这边有台直流他励电机就4个接线端,怎么接线能实现它的正反转,调速
图片尺寸474x231
直流电机,电气主接线
图片尺寸544x288
直流电动机正反转接线图
图片尺寸1130x713
课题十 并励直流电动机的基本控制线路(1)
图片尺寸1195x682
他励直流电动机的启动控制电路(一)
图片尺寸1125x1256
直流电动机串电阻起动电路
图片尺寸583x290
直流电动机电枢串入电阻启动调试电路之二
图片尺寸748x494
直流他励发电机接线图
图片尺寸589x605
求串励式直流电动机的正反转电路图,6线的,并且用到电阻降压起动.
图片尺寸668x480
直流并励电动机接线图
图片尺寸1172x1086
展开全部 最简单的直流电动机,正反转开关接线参考如下
图片尺寸513x351
直流他励电动机电枢串电阻起动的接线图
图片尺寸574x421
直流伺服电机接线原理图
图片尺寸1080x810
他励式直流电动机正反转电路
图片尺寸742x716
并励直流电动机--与非网_接线图分享
图片尺寸662x493
直流窗帘电机控制接线图祥解 图中: 为直流电压的正极;-为直流电压的
图片尺寸544x356