相序检测电路图

电动机相序检测电路图
图片尺寸992x717
三相电相序检测电路在三相空调室外机上,常用到三相检测电路来检测三
图片尺寸1128x757
一种新颖的三相电源相序检测电路
图片尺寸1819x1181
相序检测电路
图片尺寸992x717
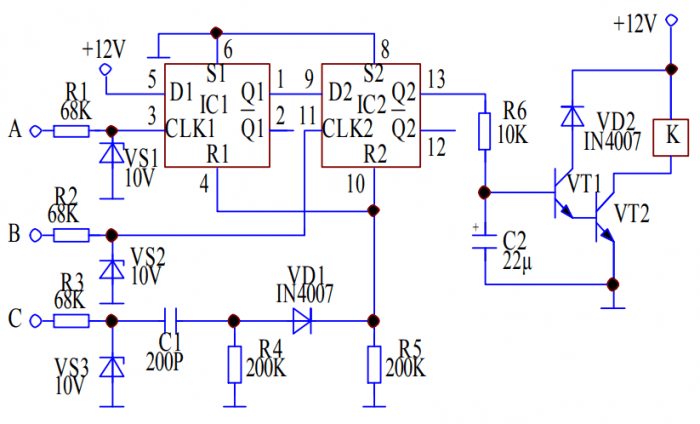
该三相交流电相序检测器电路由相序检测电路,触发器和控制执行电路
图片尺寸1589x1211
三相交流电相序检测电路方案设计_工作_继电器_负载
图片尺寸700x424
三相交流电源相序检测电路
图片尺寸603x374
三相电压相序检测电路
图片尺寸1000x598
三相交流电相序检测器/三相交流电相序指示器电路设计_相序检测电路的
图片尺寸836x560
一种三相电源相序自动检测与矫正电路的制作方法
图片尺寸1210x2778
三相电的相位同步检测电路
图片尺寸490x491
相序检测电路
图片尺寸818x357
另外几种相序判别器电路a_锐单商城
图片尺寸466x316
另外几种相序判别器电路c
图片尺寸331x323
三相交流电相序检测器电路图
图片尺寸920x1303
14,断相与相序保护继电器电路(电路图,实物接线图,仿真图)
图片尺寸640x411
一种具有零地线错检测功能的相序检测系统及相序检测仪-爱企查
图片尺寸968x1490
三相相序缺相检测电路
图片尺寸500x303
三相交流电源相序检测保护控制电路
图片尺寸600x457
相序检测电路图
图片尺寸862x407