相控阵原理图解

谈谈相控阵技术-3(上海航空股份有限公司李光浩)
图片尺寸640x512
多探头测量技术对低轨卫星相控阵天线测试的优势
图片尺寸950x762
一种全数字式移频移相的大瞬时宽带相控阵及方法
图片尺寸1521x1355
超声相控阵检测技术原理
图片尺寸759x381
相控阵雷达ppt
图片尺寸1080x810
星载有源相控阵雷达为提高更强的电性能需不断降低整体重量
图片尺寸900x500
相控阵天线的一维和二维阵列
图片尺寸1080x763
相控阵天线的一维和二维阵列
图片尺寸1080x763
无源/有源相控阵雷达原理,电扫阵列及典型雷达系统 - 无源技术 - rf
图片尺寸371x400
什么是有源相控阵雷达和无源相控阵雷达
图片尺寸632x446
二,超声相控阵检测基本原理
图片尺寸744x364
相控阵雷达的前世今生
图片尺寸640x360
相控阵雷达基础知识
图片尺寸1072x1430
机载多光束光学相控阵激光三维成像雷达系统
图片尺寸1390x758
按行,列方式馈电的有源平面相控阵天线原理图
图片尺寸800x419
一种可在轨重构的星载多波束相控阵天线
图片尺寸2052x811
相控阵天线方向图线性阵列波束特性和阵列因子
图片尺寸600x413
一种舰载一维相控阵雷达阵面控制系统的设计方法
图片尺寸3784x1385
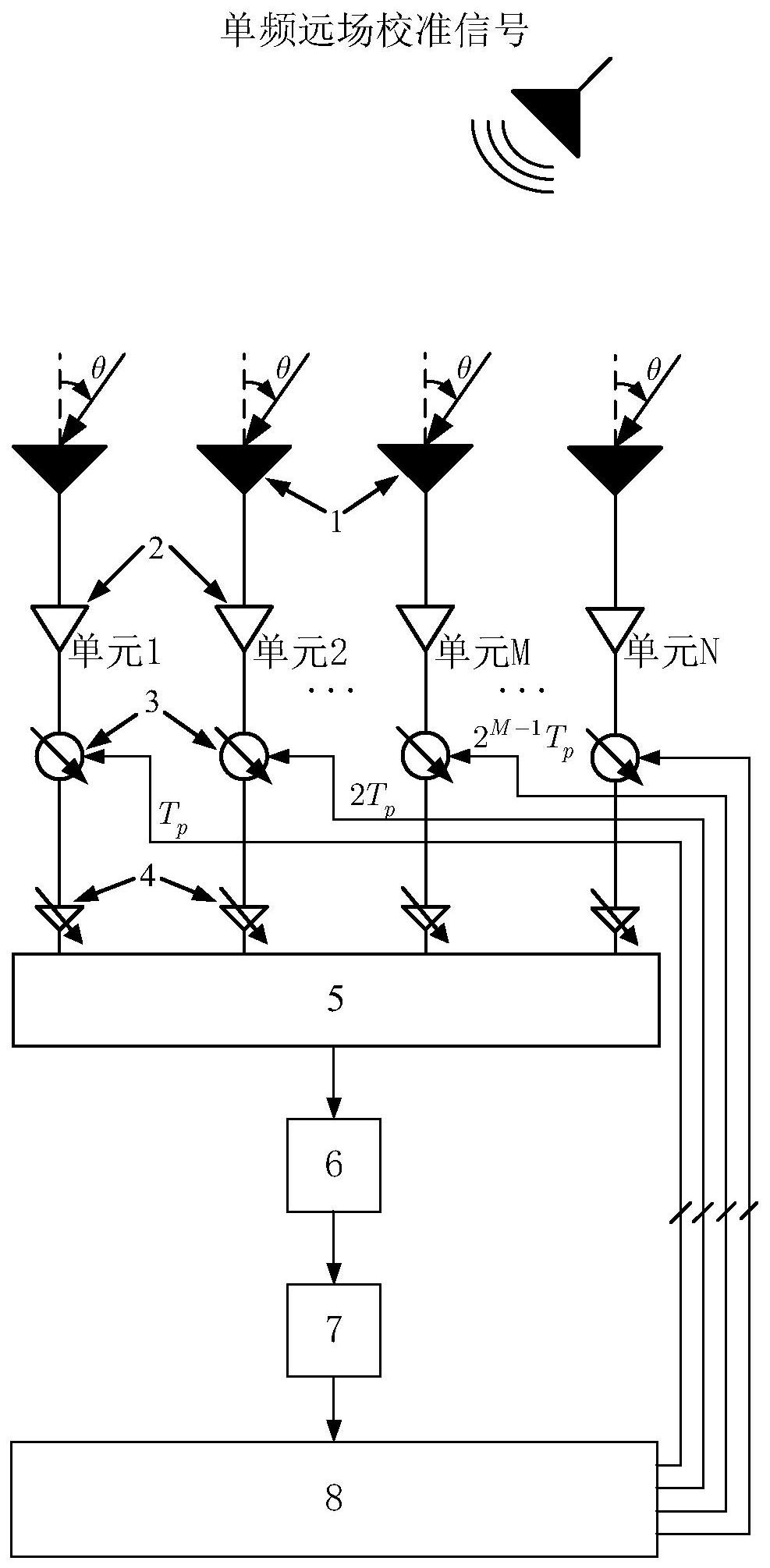
相控阵天线的并行幅相校准方法及系统
图片尺寸987x2010
2.jpg
图片尺寸640x549