短肢柱

基础短柱的正确画
图片尺寸483x489
基础高度h≥1400时,柱,剪力墙暗柱(端柱,短肢剪力墙)的角部钢筋,圆形
图片尺寸477x262
短肢柱柱头施工质量(一等)
图片尺寸906x1081
怎么区分是短肢剪力墙还是异形柱
图片尺寸579x495
短肢剪力墙和异型柱的区分
图片尺寸780x797
如何判断短肢剪力墙
图片尺寸443x667
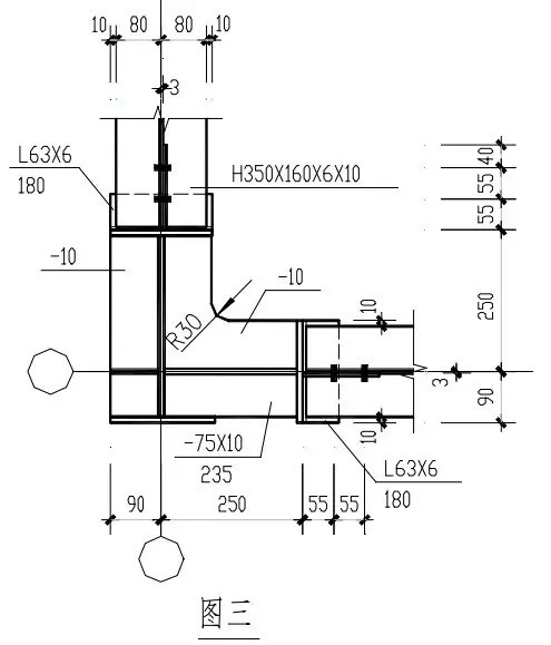
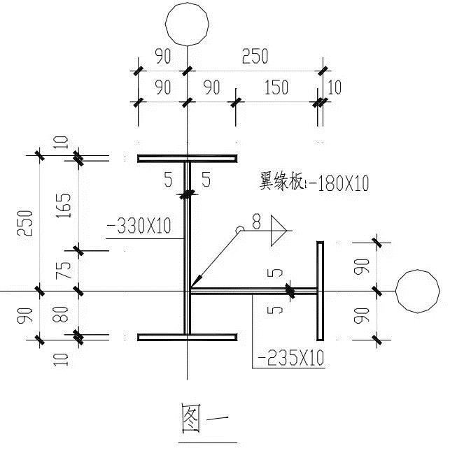
异型钢柱示意图受短肢剪力墙结构的启发,在钢结构住宅设计中将钢柱
图片尺寸653x648
短肢剪力墙的肢高与肢厚
图片尺寸322x305
短肢剪力墙怎么区分
图片尺寸758x759
判断短肢剪力墙
图片尺寸538x533
短肢剪力墙如何区分柱和墙?
图片尺寸464x197
异形柱和短肢剪力墙设计doc下载
图片尺寸422x425
异型钢柱梁柱节点详图异型钢柱示意图受短肢剪力墙结构的启发,在钢
图片尺寸495x579
异型钢柱梁柱节点详图异型钢柱示意图受短肢剪力墙结构的启发,在钢
图片尺寸582x755
墙柱区别理解(框架柱,异形柱,小墙肢,短肢剪力墙,剪力墙)
图片尺寸572x507
土建-如何区分短肢剪力墙和柱?有什么区别?【水木造价】
图片尺寸480x270
矩形柱异形柱短肢墙剪力墙如何判定
图片尺寸571x637
那我的这个柱子是不是属于短肢剪力墙我这样计算对吗那我的单肢任一边
图片尺寸415x497
短肢剪力墙与柱
图片尺寸755x412
短肢剪力墙与异形柱
图片尺寸676x395