石油分馏裂解

石油的分馏裂化与裂解
图片尺寸445x290
p>主要指 a target="_blank" href="/item/石油裂解/2428578" data
图片尺寸1471x981
石油分馏:石油分馏,催化裂化和裂解的产物是什么?
图片尺寸650x350
了解石油的成分及石油分馏,裂化,裂解三种炼制方法.
图片尺寸605x405
高考化学石油的分馏,裂化,裂解的主要原理及产物
图片尺寸599x280
石油裂解
图片尺寸683x423
石油裂解
图片尺寸385x156
石油分馏
图片尺寸1054x1424
石油的分馏,裂化,裂解的比较
图片尺寸454x557
原油的分馏及裂化的产品和用途示意图
图片尺寸500x423
温度计 蒸 馏 烧 瓶 (1)石油的分馏 冷凝水出口 冷 凝 管 接 液 管 锥
图片尺寸1080x810
石油气 (含c4以下烃) 石 原油 煤油(含c12~c16 的烃) 油 (常压分馏)
图片尺寸1080x810
裂化,催化裂化,裂解的对比 石油的炼 制 方法 常压 减压 分馏 裂化 热
图片尺寸1080x810
石油分馏(图片来源:百度百科)
图片尺寸640x765
石油裂解工艺流程图
图片尺寸640x483
此物质可由以下三种途径合成,已知 a是石油分馏的一种产品,a均裂可
图片尺寸505x169
从油田到加油站 探秘石油公司生产基地
图片尺寸744x978
(2018·河南高一月考)石蜡油(主要是含17个以上碳原
图片尺寸962x700
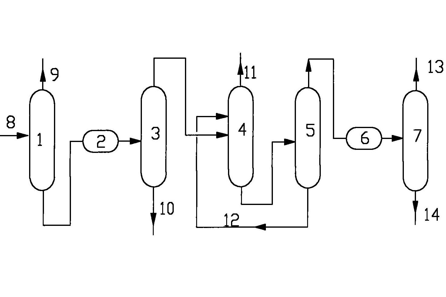
石油裂解二气分离
图片尺寸1080x810
石油分馏
图片尺寸930x587