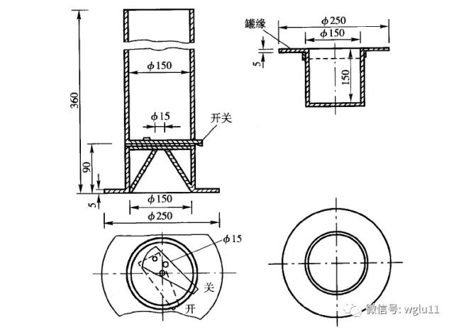
砂筒示意图

砂筒临时支座制作
图片尺寸672x498
ac多功能捞砂筒的研制与应用
图片尺寸991x1000
一种公路路基压实度测定用灌砂筒
图片尺寸1643x1659
新标准灌砂法密度仪灌砂筒容重仪原位土密度仪灌砂法试验仪灌砂筒
图片尺寸800x800
一种公路路基压实度测定用灌砂筒_cn201920481894.9_知雀网
图片尺寸1000x701
灌砂法是利用均匀颗粒的砂去置换试洞的体积 仪具与材料 灌砂筒;金属
图片尺寸448x443
挖坑灌砂法测定压实度试验方法
图片尺寸920x690
一种砂筒支座的制作方法
图片尺寸443x370
做灌砂法压实度试验根据试坑层厚如何进行标定以及选择灌砂筒微公路
图片尺寸640x466
无忧文档 所有分类 高等教育 工学 2金属工艺学之切削加工ppt 砂轮的
图片尺寸1080x810
【图文】灌砂法测定压实度试验方法步骤_灌砂筒
图片尺寸640x609
为方便卸砂,在距砂箱底部187.
图片尺寸483x304
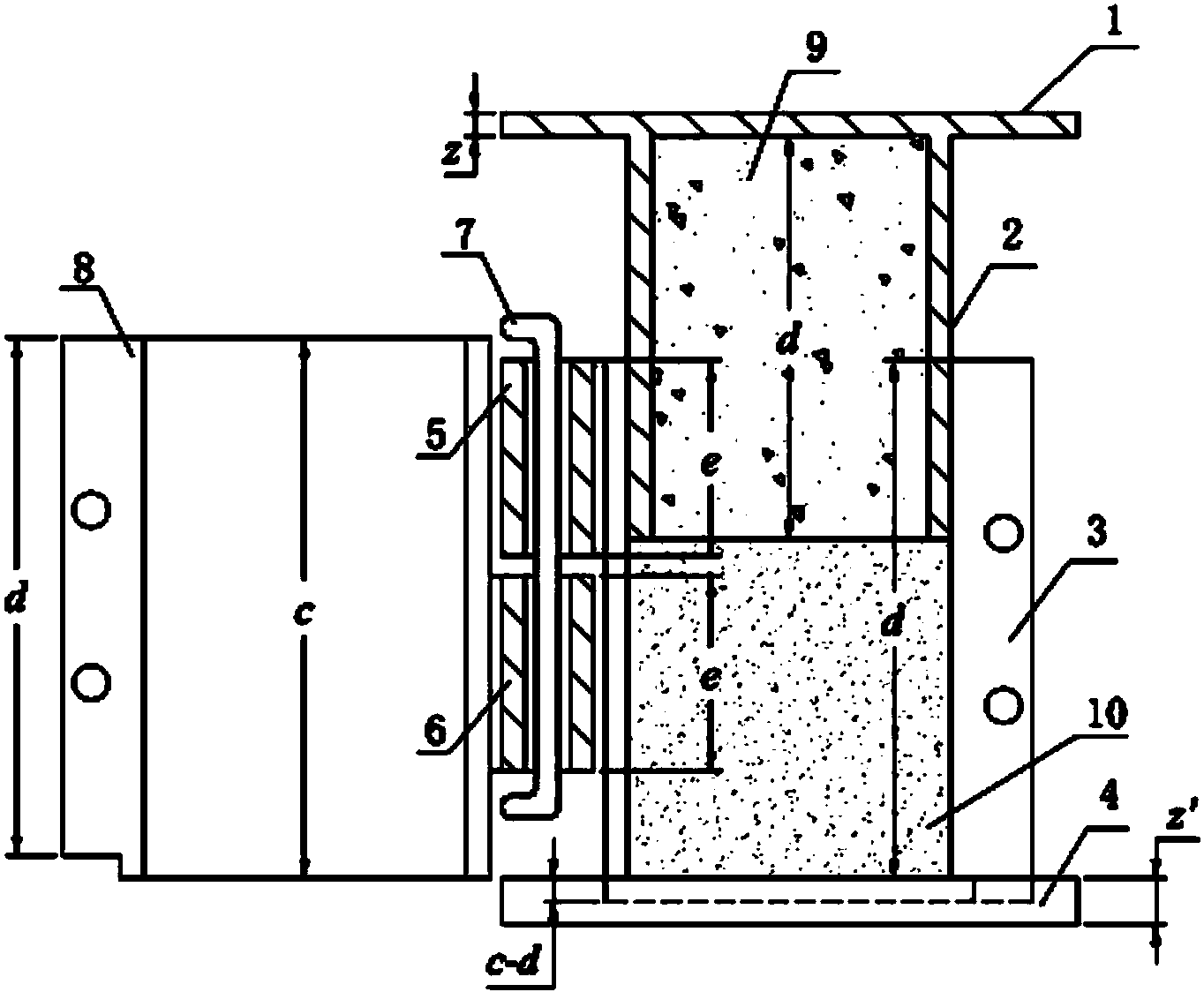
一种半圆形钢套筒铰接式砂筒临时支座
图片尺寸1364x1124
zlt灌砂筒灌砂法压实度试验桶灌砂桶灌砂法试验筒
图片尺寸750x872
溢流口9.粗砂管
图片尺寸680x571
cn213085071u_一种可拆式纺织纱筒
图片尺寸1890x1196
卧式砂磨机静态出料结构示意图静态出料砂磨机采用:动态涡轮离心分离
图片尺寸649x399
沧州蓝标建筑仪器厂的优惠券大全—新标准灌砂筒桶灌砂法密度试验仪灌
图片尺寸800x800
灌砂筒
图片尺寸500x443
砂筒临时支座a镇康砂筒临时支座a砂筒临时支座价格
图片尺寸720x1280