硬轨结构图

一种立式加工中心硬轨立柱结构
图片尺寸1589x1559
60n钢轨与60kg/m钢轨的区别及各自特点解析
图片尺寸1080x1123
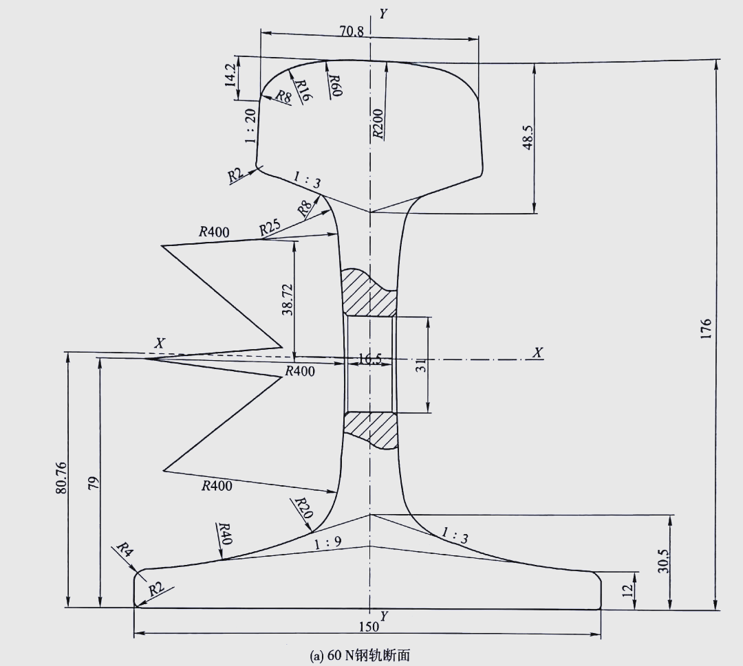
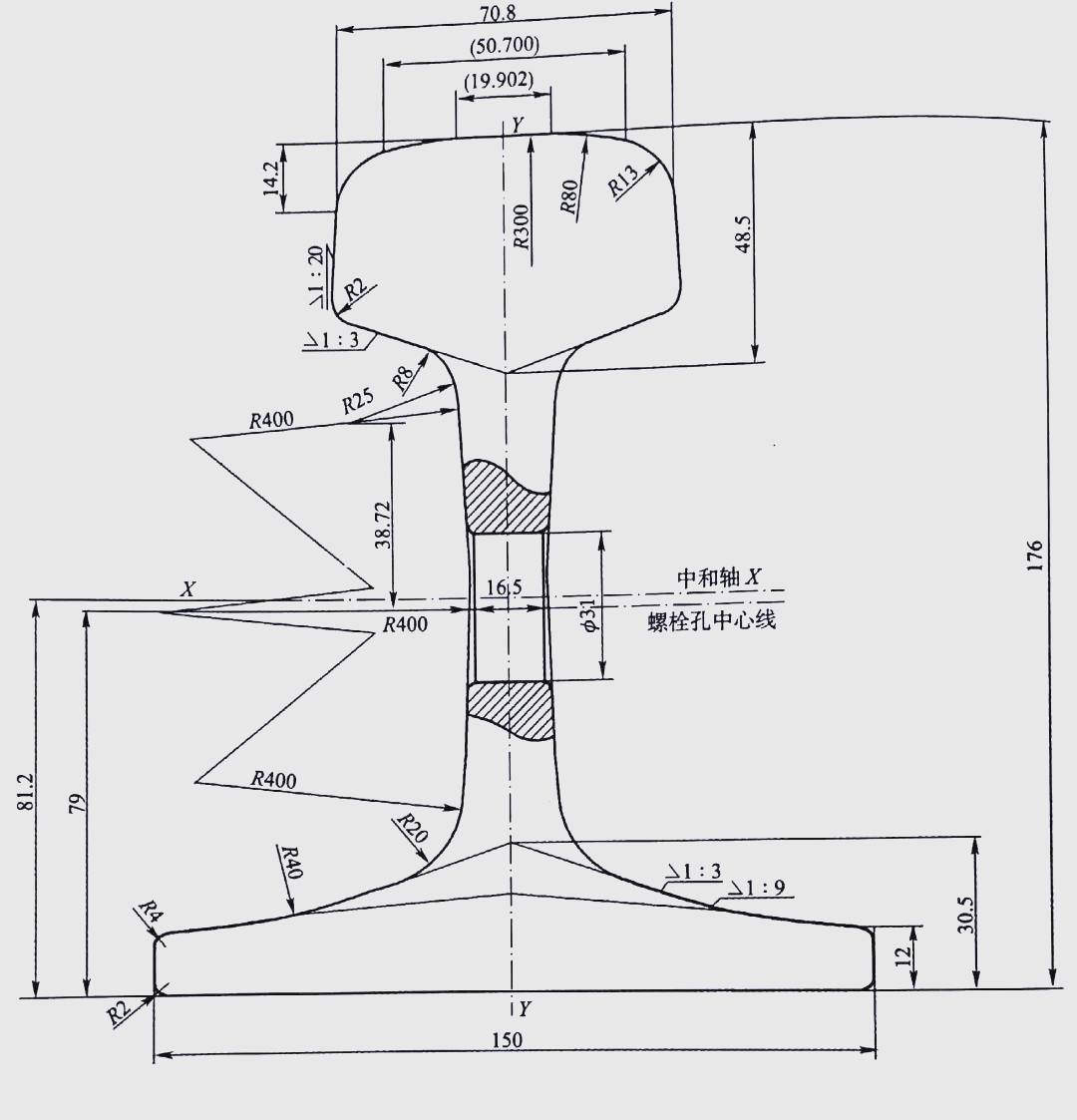
钢轨类型及尺寸
图片尺寸1080x1438
直线导轨使用注意事项全解析:如何确保使用寿命与运行稳定
图片尺寸1200x1200
60n钢轨与60kg/m钢轨的区别及各自特点解析
图片尺寸1080x969
钢轨类型及尺寸
图片尺寸1080x1442
第二章有碴铁路轨道结构
图片尺寸1500x1125
一种线硬组合结构导轨的制作方法
图片尺寸1000x713
轨道系统轨道结构功能
图片尺寸920x690
铁路钢轨型号解析:材质,性能与数据对比
图片尺寸567x754
钢轨的结构分类
图片尺寸484x266
15钢轨尺寸图
图片尺寸842x580
目前比较流通的结构是有砟轨道,这也是比较传统的工艺,它由钢轨
图片尺寸640x356
24kg钢轨/24公斤铁轨
图片尺寸481x608
钢轨
图片尺寸1200x609
北京易科路通铁道设备有限公司
图片尺寸956x691
sajun直线导轨 高精度轨道内嵌式模组dgmn
图片尺寸750x1113
结构坚固 品牌制造 货源充足 mgw 直线导轨滑块 成大传动设备
图片尺寸750x2211
轨道构造
图片尺寸1501x881
一种轨道结构
图片尺寸1762x1784