碘钨灯怎么接线

控照灯_红外线灯_碘钨灯接线方法电路图
图片尺寸345x297
照明灯红外线灯碘钨灯接线方法线路
图片尺寸472x425
探照灯,红外线灯,碘钨灯,钠灯接线电路图
图片尺寸640x854
碘钨灯接线方法线路
图片尺寸457x428
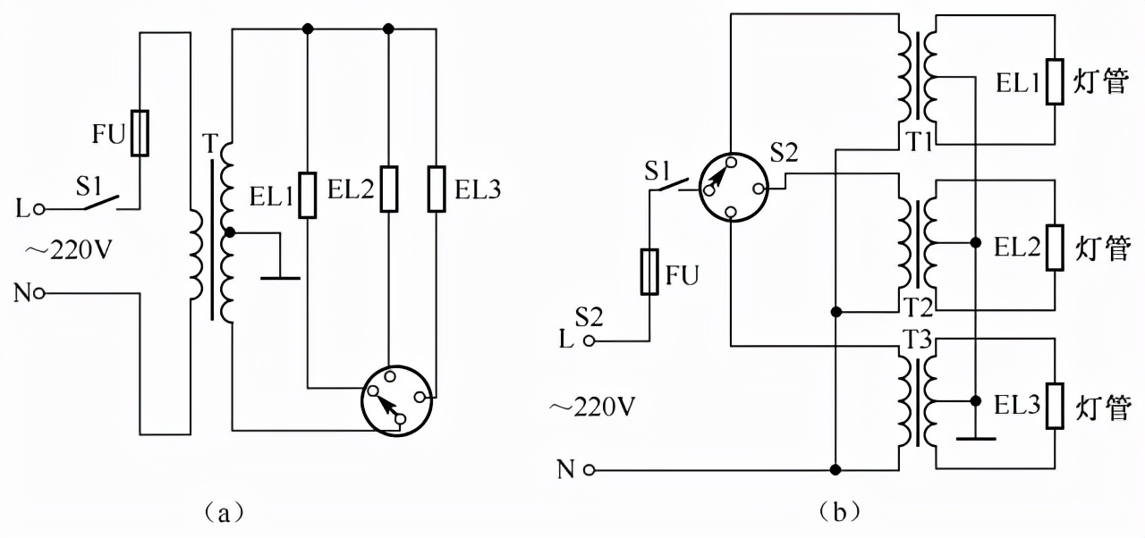
灯电路29,声光控自动照明灯电路30,双荧光灯户外广告双灯管接线电路31
图片尺寸1280x602
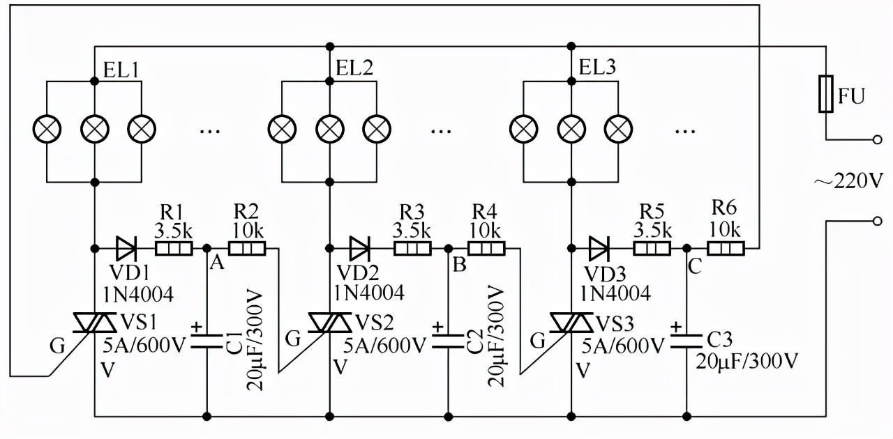
探照灯,红外线灯,碘钨灯,钠灯接线电路3.
图片尺寸1567x1644
探照灯,红外线灯,碘钨灯,钠灯接线电路3.
图片尺寸1959x859
探照灯,红外线灯,碘钨灯,钠灯接线电路3.
图片尺寸1683x769
76种典型工地违规用电有图有真相
图片尺寸1040x720
碘钨灯,100w led投光灯,接线头防水接法!
图片尺寸496x280
3,施工现场的施工机具,如电焊机,对焊机,碘钨灯等外壳不接pe线;钢筋
图片尺寸917x749
探照灯,红外线灯,碘钨灯,钠灯接线电路3.
图片尺寸640x504
3,施工现场的施工机具,如电焊机,对焊机,碘钨灯等外壳不接pe线;钢筋
图片尺寸640x466
3,施工现场的施工机具,如电焊机,对焊机,碘钨灯等外壳不接pe线;钢筋
图片尺寸940x764
灯电路29,声光控自动照明灯电路30,双荧光灯户外广告双灯管接线电路31
图片尺寸1280x578
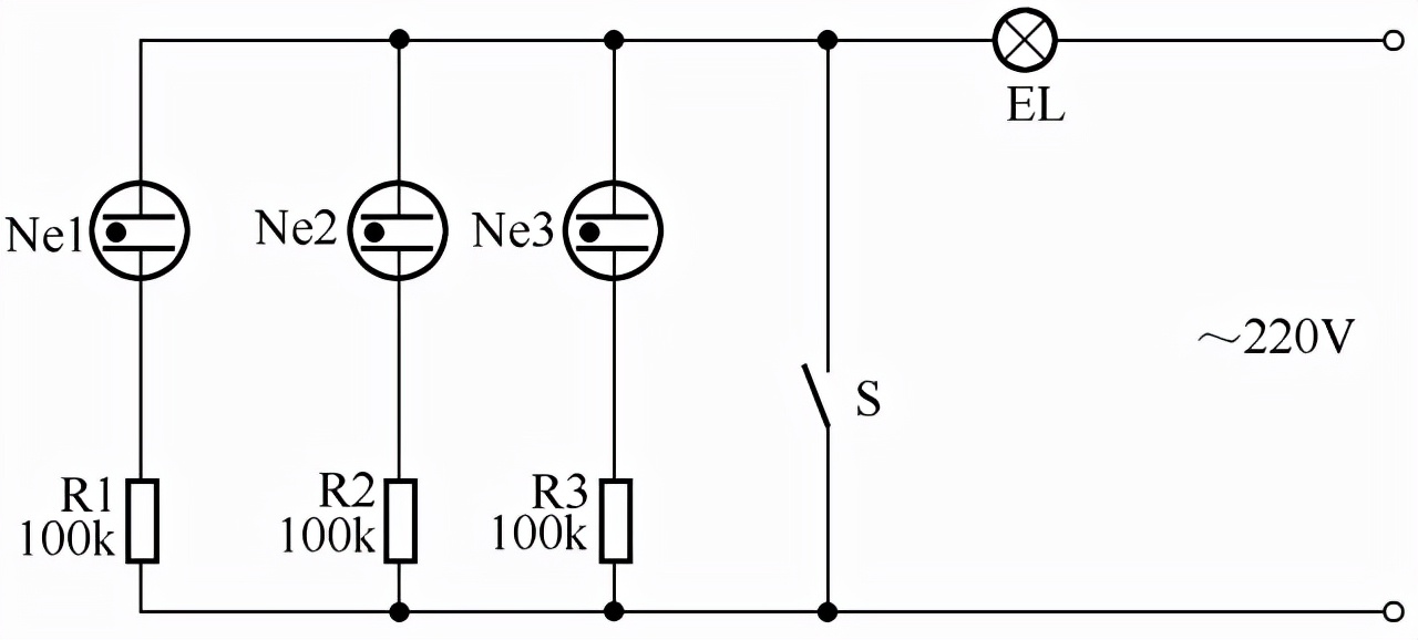
串联开关接线图,电源串联接法,220发电机串联,串联电路,串联电路定义
图片尺寸500x375
灯电路29,声光控自动照明灯电路30,双荧光灯户外广告双灯管接线电路31
图片尺寸1280x630
碘钨灯,100w led投光灯,接线头防水接法!
图片尺寸1280x720
33,探照灯,红外线灯,碘钨灯,钠灯接线电路
图片尺寸640x1019
5碘钨灯及钠,铊,铟等金属卤化物灯具的安装高度宜在3m以上,灯线应固定
图片尺寸640x482