磁环模具

上饶磁环模具
图片尺寸500x374
设计制作塑磁模具 模具加工
图片尺寸1920x1440
塑料磁体模具
图片尺寸340x270
现货供应磁环玩具魔法指环专用模具和磁铁
图片尺寸1134x1134
东莞大型模具厂家专业制作磁环注塑模具,成型模具
图片尺寸456x321
无磁硬质合金模具磁环上型腔
图片尺寸930x592
磁吸充电线内模插头模具带磁环 线卡插头模具 磁铁磁性充电线模具
图片尺寸400x533
钕铁硼(阴模 冲头 冲头连杆) 产品类别磁芯模具 产品型号
图片尺寸836x628
选择dc-dc升压磁环电感的材料时,需要考虑以下几个因素:1.
图片尺寸640x469
hymu80高磁导767pce11cmalloy79hm镍铁钼合金坡莫合金
图片尺寸1200x792
铁氧体磁环 模具全 现货多
图片尺寸310x310
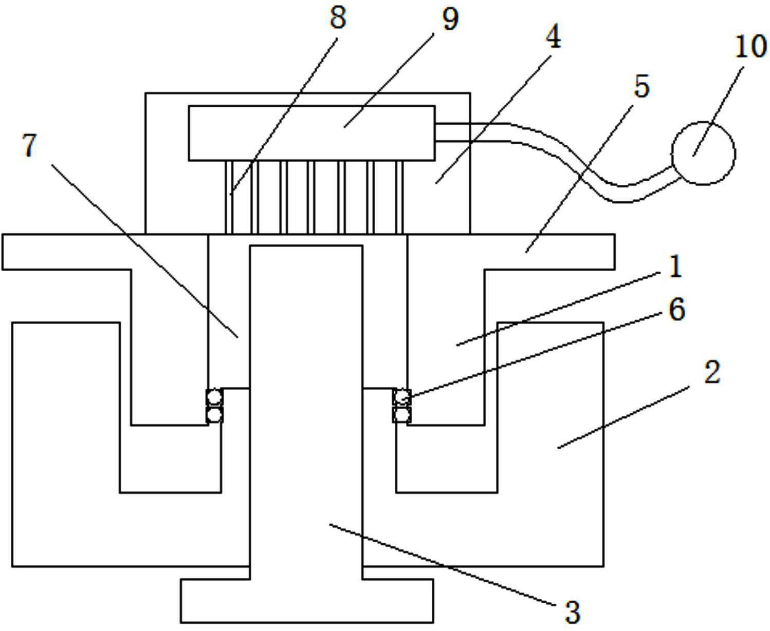
一种微波炉磁环专用成型模具上模-爱企查
图片尺寸387x288
hymu80高磁导767pce11cmalloy79hm镍铁钼合金坡莫合金
图片尺寸2048x2048
供应国外磁铁 钕铁硼磁铁 强力磁铁 磁环镀锌 镀镍 定做模具
图片尺寸800x800
塑磁转子模具,塑磁产品研发与塑磁转子 磁环设计
图片尺寸1920x891
一种防回流式磁环成型模具-爱企查
图片尺寸1498x1229
紧摇臂夹紧夹治具模具杠杆气缸jgl-25/32/40/50/63 jgl-25(内置磁环)
图片尺寸800x800
燃气热水器水流量计感应磁环磁性感应流量计磁铁
图片尺寸1920x1920
hymu80高磁导767pce11cmalloy79hm镍铁钼合金坡莫合金
图片尺寸1200x792
loading zoom产品名称:所属分类:文昌磁环模具在线预订详细介绍冲压
图片尺寸500x373