福斯ia6接收机接线图

> 求高手这个斯巴鲁cd机可以安么,我说的是接线
图片尺寸781x802
谁有伊兰特16针尾线接线图.发下
图片尺寸700x933
这段时间我折腾sbus2的原因,利用仅有的接收机端口将通道最大化
图片尺寸893x880
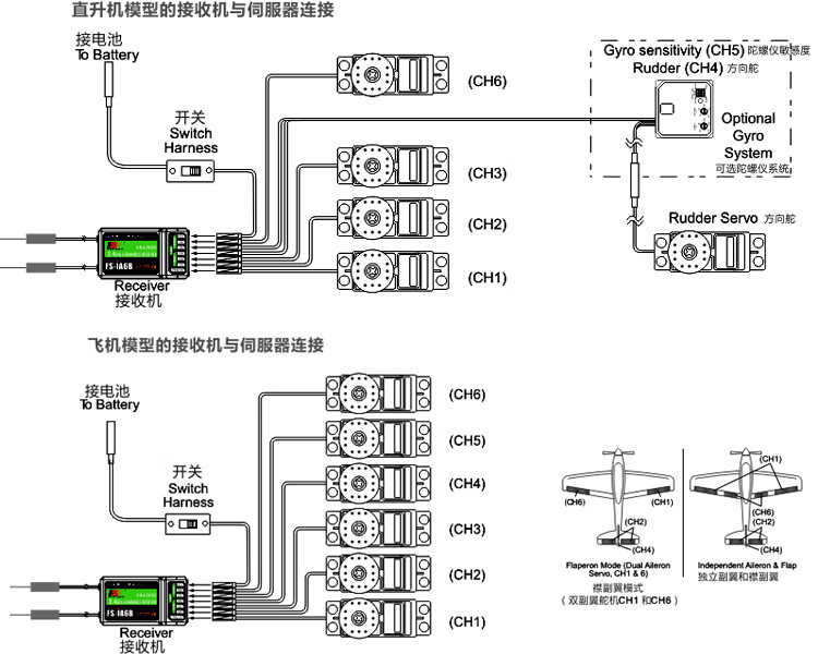
4g 6/10通通接收i6x穿越机型liftoff dcl模拟器 i6控 ia6接收(6通道)
图片尺寸750x600
主机接线图,我有好多没接
图片尺寸700x485
com1.遥控器指令操作2.接收机的接线方式
图片尺寸1080x807
24g富斯fsia6ia6bia10b遥控器接收机gt3br6br9ba3接收器fsr6b接收机
图片尺寸750x699
主机接线图
图片尺寸400x303
福克斯90元3件套改家用接线图(有需要的请取)_嘉年华论坛_手机汽车之
图片尺寸400x302
flysky fs-cev04 serial bus receiver for ia6b ia10 receiver
图片尺寸600x600
华科尔rx601接收机与vbbar接线指南
图片尺寸984x1248
rx接收机,esc电调,servo舵机,power distribution分电板,voltage
图片尺寸700x535
radiolink 乐迪r8ef/r8fm 8通道接收机远距离2000米 pwm ppm sbus
图片尺寸1000x1000
求aiwa车机cdc-x707myh尾线定义
图片尺寸684x849
跪求请大家帮帮忙3gx不亮接收机不亮怎么回是
图片尺寸1800x864
bgtqz飞机遥控器接收机ia6 ia6b ia10b a8s x6b x14s接收机fs i6 i fs
图片尺寸750x1218
fsia6b接收机怎么接线
图片尺寸804x592
crossfiremicrotx小黑羊高频头v2套装带nanose黑羊接收机品质定制v2
图片尺寸750x1795
一个接收机能控制2个有刷电调吗
图片尺寸585x454
航模遥控器套装富斯i6 i6x ia6 ia6b ia10b凤凰模拟 i6控 ia6b接收
图片尺寸790x698