离心泵的符号

离心泵的图标
图片尺寸1200x1036
你可能喜欢 注水泵工 油田注水工艺 水泵结构图 水泵检修规程 离心泵
图片尺寸1080x810
液压泵图形符号.pdf 1页
图片尺寸800x1132
常见液压图形符号
图片尺寸961x1360
常用液压符号
图片尺寸631x1029
常用液压图形符号
图片尺寸628x914
这个泵上的符号表示的是什么?
图片尺寸366x348
在在水泵送dcs的符号表示什么意思?
图片尺寸1150x433
离心泵符号图标
图片尺寸1200x436
液压泵以及液压马达的常见图形符号
图片尺寸1213x444
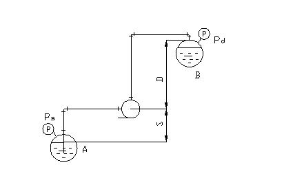
h= d s hf1 hf2 hf3 pd-ps计算式中各参数符号的意义某些工业管材的ε
图片尺寸441x272
请问水泵房这个符号是什么阀门,谁能把图片发一个看看吗?怎样操作?
图片尺寸720x1280
这个液压泵符号是什么意思,实现什么样的功能?
图片尺寸310x206
管道泵多级离心泵磁力泵排污泵化工泵螺杆泵多级泵
图片尺寸534x382
史上最全的阀门图形符号及说明
图片尺寸528x601
液压图形符号之液压泵和马达的符号原理
图片尺寸992x499
单线干油泵db-n25
图片尺寸360x311
离心机设备符号
图片尺寸705x295
离心泵安全运行
图片尺寸450x267
液压与气压传动职能符号
图片尺寸866x510