离心风机叶轮图纸

离心引风机装配图 - 排风设备图纸 - 沐风网
图片尺寸820x584
cn213331673u_节能离心叶轮有效
图片尺寸1686x1161
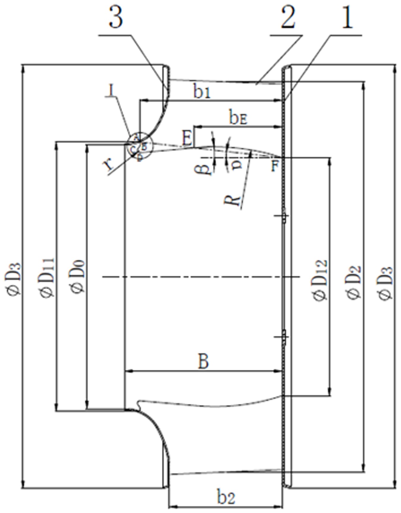
cn201013657y_离心风机叶轮失效
图片尺寸1631x1852
a3-叶轮.dwg
图片尺寸1200x800
cn212584013u_一种仿生叶片离心通风机叶轮有效
图片尺寸1350x1729
一种多工况机翼型离心风机叶轮
图片尺寸1963x1713
一种离心风机叶轮的制作方法
图片尺寸1000x718
联轴器用来连接电机和风机,传递力矩;轴安装并固定叶轮
图片尺寸820x580
离心风机叶轮组cad图纸dwg图纸
图片尺寸634x480
4-79 7c 风机叶轮零件图
图片尺寸775x549
叶轮零件图.dwg
图片尺寸1200x800
一种高压离心风机的叶片,叶轮结构的制作方法
图片尺寸443x438
一种玻璃钢化离心风机叶轮
图片尺寸984x1000
cn111927823a_一种离心式叶轮及高比转速节能型离心除尘风机在审
图片尺寸1770x1387
离心风机的叶轮结构图
图片尺寸1440x888
cn113007129a_一种分层错列的低噪声特性离心泵叶轮在审
图片尺寸1353x1403
一种高效单吸离心风机叶轮
图片尺寸1839x1643
一种离心风机叶轮结构-爱企查
图片尺寸1215x1051
9-26№5a高压离心风机下载(122.52 kb,dwg格式) 机械cad图纸
图片尺寸1287x856
离心风机的叶轮结构的制作方法
图片尺寸1767x1537