科蒂斯控制器接线图

电动车控制器接线图
图片尺寸920x1242
超静音智能型无刷电动车控制器接线说明
图片尺寸800x1210
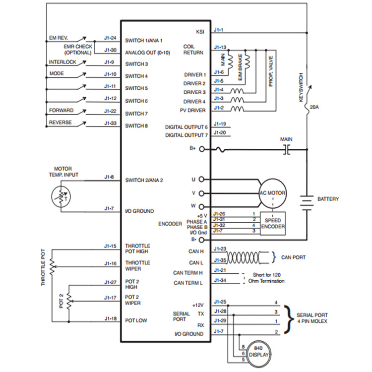
科蒂斯控制器1243中文使用手册
图片尺寸333x305
科蒂斯控制器1243中文使用手册
图片尺寸545x408
文档下载 所有分类 工程科技 电子/电路 > 电动车控制器接线图第1页
图片尺寸707x665
电动车控制器接线
图片尺寸1080x1429
电动车智能无刷控制器接线图
图片尺寸920x1302
控制器进线是三根,出线杂乱多,只要分清各功能接线很简单
图片尺寸640x552
电动车控制器接线图
图片尺寸530x687
我们从上图无刷电机接线图中可以看出,从电瓶车控制器中引出三根电线
图片尺寸640x517
curtis柯蒂斯交流控制器1236-6401 5401电动叉车配件控制器48-80v
图片尺寸750x750
电动车控制器接线图
图片尺寸620x462
科蒂斯可编程永磁电机控制器 1212-2401 curtis 24v dme 7
图片尺寸559x541
控制器接线图,!
图片尺寸1019x1280
涨知识:电动车控制器接线图解
图片尺寸836x1135
电动车控制器接线图步骤说明更换电动车控制器注意事项kiamos管
图片尺寸491x517
无忧文档 所有分类 工程科技 信息与通信 【中选牌】电动车控制器接线
图片尺寸642x485
电动车控制器的接法
图片尺寸511x551
电动四轮车控制器故障检测仪使用方法
图片尺寸600x328
帮看看我的电动车控制器的接线
图片尺寸2048x1280