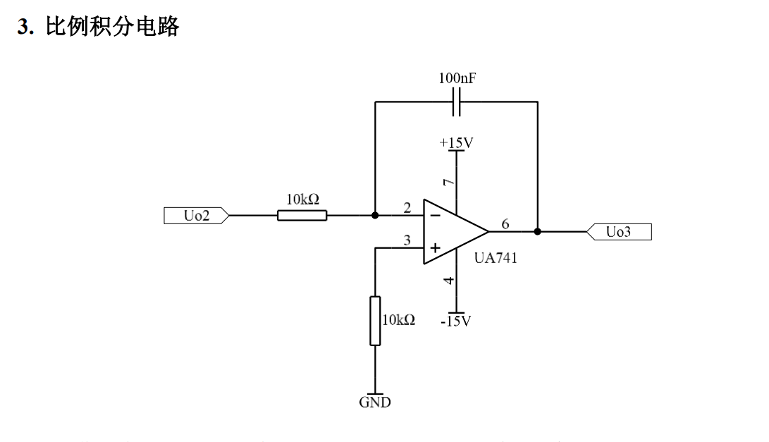
积分电路

最新整理积分运算电路
图片尺寸920x1302
运放积分电路分析
图片尺寸1077x707
关于积分电路
图片尺寸885x629
你知道什么是积分电路吗积分电路讲解
图片尺寸400x248
运算放大器积分电路原理
图片尺寸732x374
急!multisim中积分电路仿真用那种芯片好
图片尺寸553x369
基本积分电路之原理分析
图片尺寸391x280
1.5积分电路
图片尺寸873x551
积分电路原理图解决方案华强电子网
图片尺寸480x204
2_2积分电路
图片尺寸720x540
======================================积分电路
图片尺寸853x519
基本rc积分电路以及工作原理解析
图片尺寸833x458
运算放大器积分电路图
图片尺寸920x1304
运放积分电路输出三角波上移问题
图片尺寸550x288
积分电路原理图
图片尺寸480x204
积分运算电路
图片尺寸496x679
这几种积分运算电路推导的详细过程
图片尺寸590x487
集成运算放大器的积分,微分电路.pdf
图片尺寸800x600
积分电路并联一个电阻的影响
图片尺寸1091x627
rc积分电路
图片尺寸974x389