移相器电路图

0180度移相电路设计
图片尺寸568x287
运算放大器制作移相电路的设计方案
图片尺寸651x553
移相器的原理详细资料说明
图片尺寸576x381
移相器原理图
图片尺寸617x314
一种高精度连续可调的新型移相器的制作方法
图片尺寸412x261
也就是全波整流电路,不过我要的频率比较高,要100k,我运放用得是
图片尺寸1231x669
四种移相90度电路图
图片尺寸990x730
移相电路
图片尺寸893x514
0180度移相电路设计
图片尺寸690x264
cn107809237a_移相器电路和产生参考时间信号的相位偏移形式的方法
图片尺寸2419x1770
0360相移器电路图
图片尺寸1059x714
模拟电路--相位可调移相器的设计
图片尺寸395x338
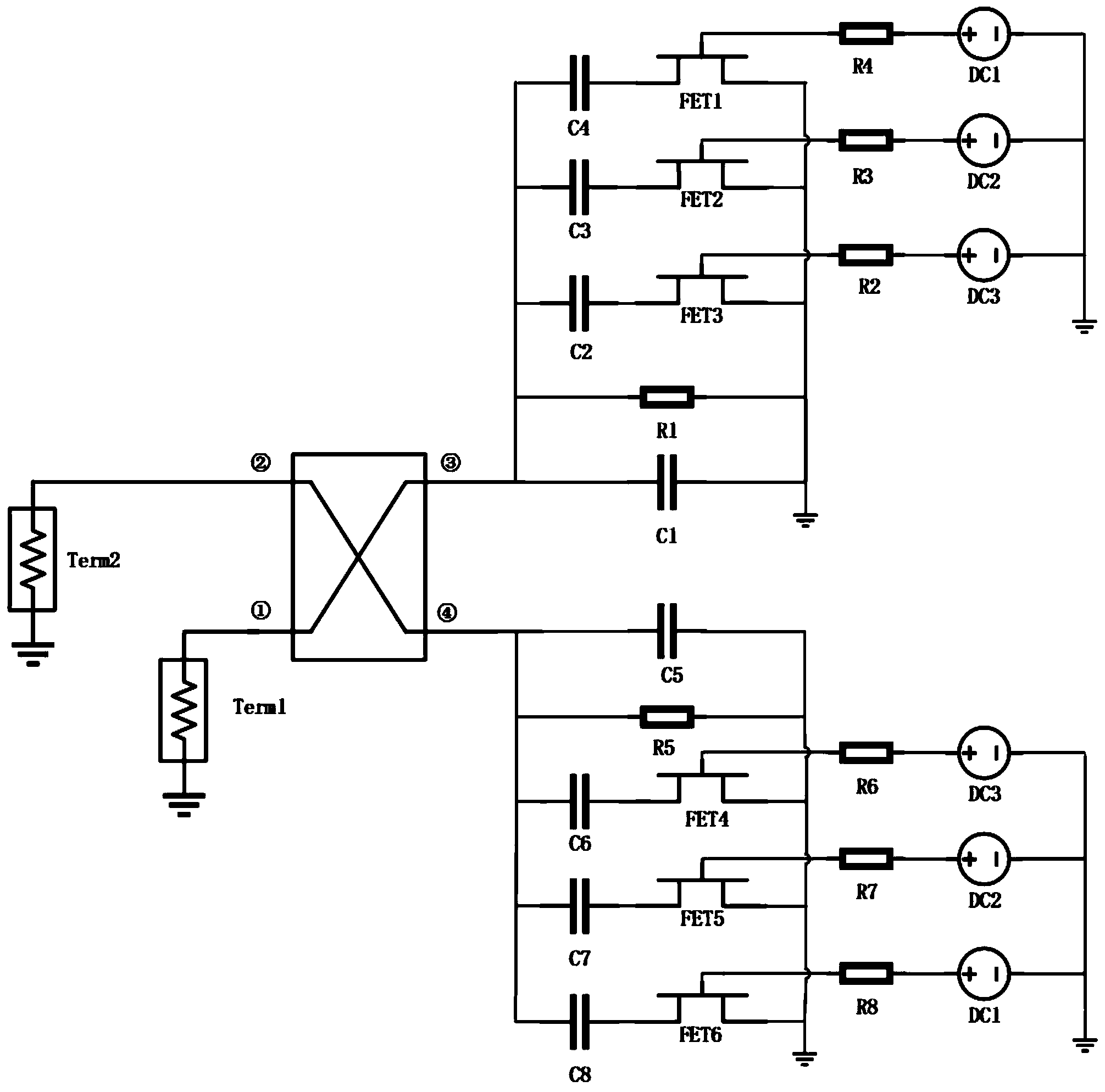
一种共用耦合器的多位移相单元
图片尺寸2011x1988
运算放大器制作移相电路的设计方案
图片尺寸865x376
全桥零电压开关电路(共3页,当前第1页) 你可能喜欢 移相全桥变换器 全
图片尺寸1316x536
移相全桥驱动
图片尺寸1920x1441
一种带宽180度移相器电路
图片尺寸1390x631
移相控制电路图
图片尺寸1701x585
一种x波段移相器
图片尺寸1241x1039
本发明涉及一种基于nmos晶体管的90°移相器,属于射频微波集成电路
图片尺寸974x1434