稳压二极管电路图

3.2硅稳压二极管稳压电路
图片尺寸1465x724
二极管稳压电路
图片尺寸1080x810
稳压二极管加在5v1.5a的输出,变成3.3v,要串电阻吗?
图片尺寸500x272
稳压二极管的计算已知稳压管的稳压值uz=6v,稳定电流的最小值izmin=5
图片尺寸600x204
电路,采用电阻r1,电阻r2,开关三极管q1,稳压二极管zd1和输出电容e1
图片尺寸1555x1275
模电学习稳压二极管的使用与其他二极管
图片尺寸1920x1080
电路如图所示,稳压管的稳压值为5v.
图片尺寸890x485
稳压二极管参数与稳压原理及过程,稳压二极管典型应用电路
图片尺寸807x350
稳压二极管和稳压电路解决方案华强电子网
图片尺寸720x450
四款稳压二极管应用电路
图片尺寸1286x872
稳压二极管及稳压电路图_电子技术_电工之家
图片尺寸1859x702
1 2009-12-09 用稳压二极管设计一简单稳压管稳压电路 20 2012-05-27
图片尺寸958x601
稳压二极管如何接入电路进行稳压串联还是并联
图片尺寸600x253
硅稳压管稳压电路
图片尺寸3264x2448
晶体管特性图示仪的制作之02稳压电源制作
图片尺寸1728x846
稳压二极管的应用电路与原理
图片尺寸800x440![图,稳压二极管线路 [高悬赏]](https://i.ecywang.com/upload/1/img2.baidu.com/it/u=3359563236,579896691&fm=253&fmt=auto&app=138&f=JPG?w=536&h=339)
图,稳压二极管线路 [高悬赏]
图片尺寸536x339
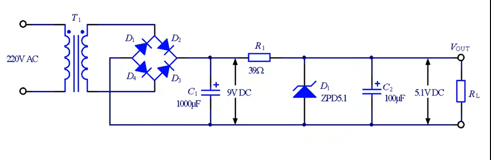
把稳压二极管嫁接到电源滤波电路,就得到了稳压二极管简易稳压
图片尺寸976x318
双向可控硅交流稳压器电路
图片尺寸1101x617
稳压二极管和稳压电路解决方案华强电子网
图片尺寸720x450