空压机管路系统图

管道出现泄漏空压机系统是一个持续运行的整体,各个部件和接头在长期
图片尺寸800x450
螺杆空压机控制系统设计
图片尺寸1128x763
空压机安装指南
图片尺寸910x500
站内5台螺杆空压机,设计系统为空压机连接储气罐,空压机与储气罐之间
图片尺寸451x419
空压机系统原理图
图片尺寸867x969
空压机系统图
图片尺寸1653x2338
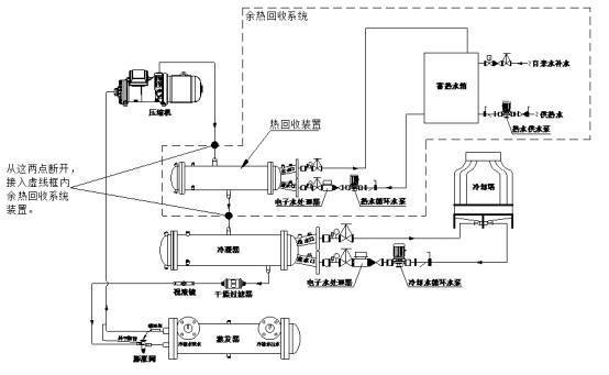
系统回收热量效率高,空气,润滑油的温度回收效率可达80%,空压机运行
图片尺寸554x341
泉州漳州三明空压机压缩空气系统的组成
图片尺寸700x535
任何螺杆式空压机都可以分解成以下几个系统:主机/电机系统 冷却/分离
图片尺寸640x370
压缩空气站工艺系统是根据供气要求,压缩空气负荷,经技术经济方案比较
图片尺寸1572x846
在线监测空压机能耗评估系统
图片尺寸730x401
螺杆空压机实际排气量受哪些因素影响?
图片尺寸518x343
空压机的气路控制原理(英格索兰hr2
图片尺寸1691x1331
atlas gr200w 空压机原理图
图片尺寸1045x707
压缩空气(空压机)系统节能教科书式讲解
图片尺寸640x592
11.3.1 工艺系统
图片尺寸1525x569
捷豹牌永磁变频空压机-160kw永磁变频空压机-zls-200i
图片尺寸828x527
斯可络水冷式螺杆机解决方案-静音无油空压机_无油空压机_无油螺杆空
图片尺寸787x386
5,一套油路系统4,油冷却器3,油分离器2,驱动电机(如果防爆场所,就需要
图片尺寸600x502
空压机选型指南
图片尺寸542x367