空气干燥机工作原理图

压缩空气冷冻式干燥机
图片尺寸576x466
szh组合式低露点压缩空气干燥机
图片尺寸600x622
空气压缩机产生的压缩空气如何干燥?
图片尺寸690x500
天源微热无热再生吸附式干燥机压缩空气低露点干燥机
图片尺寸800x576
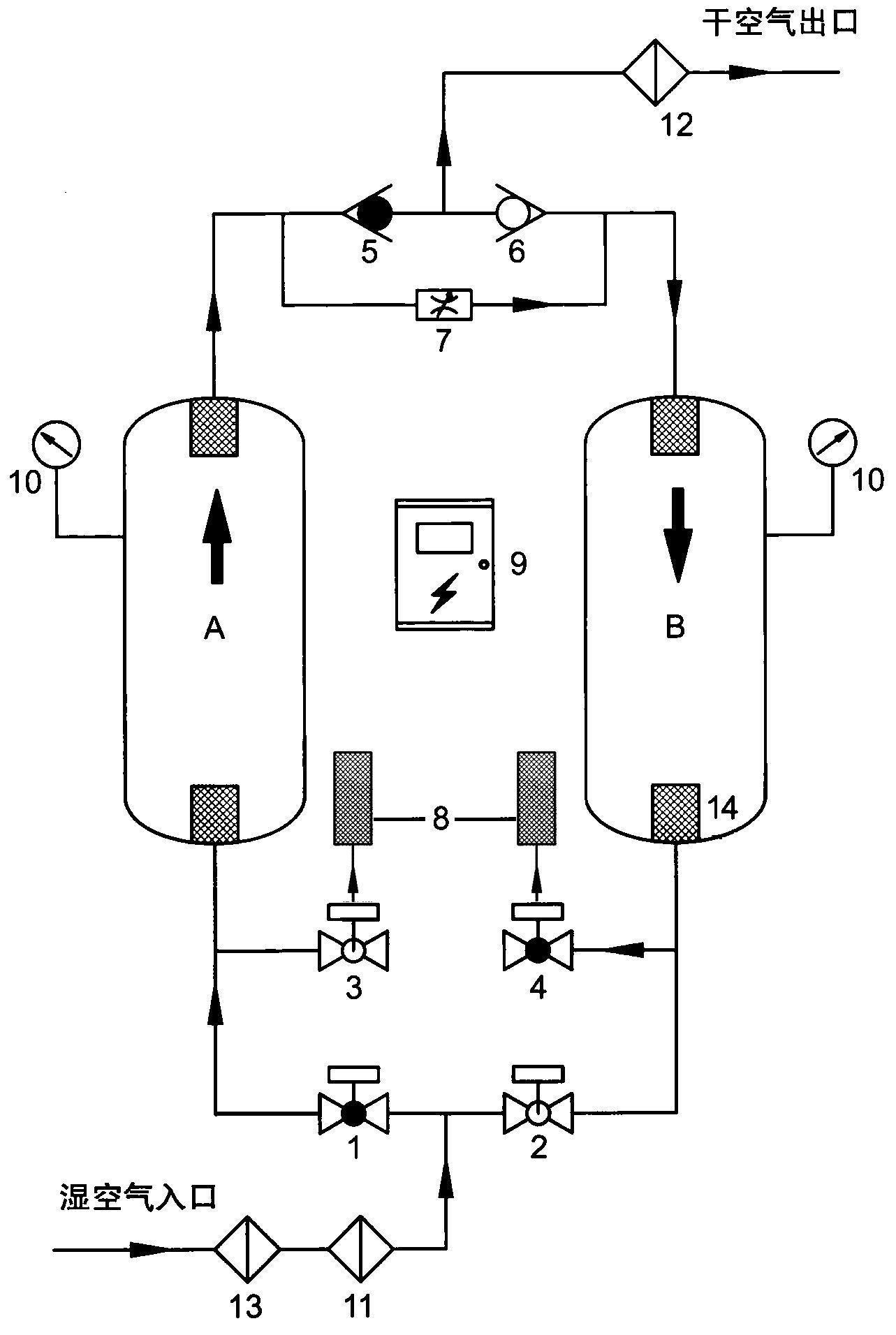
干燥机由空气处理系统,制冷循环系统,电器控制系统组成.见原理图1.
图片尺寸531x428
一种鼓风再生吸附式干燥机
图片尺寸1918x1898
吸附式干燥机有哪几种你了解多少
图片尺寸720x589
组合式干燥机的发展简史
图片尺寸331x308
涵延专业生产吸附式压缩空气干燥机*hy-20rw*
图片尺寸1283x1912
gl series low dew point combined compressed air dryer
图片尺寸700x413
3543zc1-001东风天龙天锦大力神空气干燥器3543zc1-001
图片尺寸565x591
空压机和干燥机原理图
图片尺寸1729x1228
科林冷干机电路图_冷干机常见故障视频
图片尺寸750x771
注塑机干燥桶接线图
图片尺寸478x434
气动马达空气干燥器
图片尺寸462x351
空压机100课之029:压缩空气冷冻式干燥机(冷干机)结构和原理
图片尺寸639x413
【大机经验】ad-9空气干燥器故障的排查与分析
图片尺寸1044x767
空气能热泵烘干机工作原理及设备简介
图片尺寸640x340
fyzp型零气耗压缩热再生吸附式压缩空气干燥机
图片尺寸1066x460
热泵烘干机_空气能高温烘干机生产厂家
图片尺寸668x315