空气滤芯工作原理

空气滤清器的结构分类和工作原理
图片尺寸720x470
博世bosch空气滤芯空气滤清器发动机进气风格空滤适用比亚迪f3f3r15
图片尺寸790x440
快来了解卡友们的空气护卫空气滤清器总成
图片尺寸700x907
保时捷汽车配件-11.p1~4:718 空气滤芯 p5~8: - 抖音
图片尺寸1440x2716
汽车空气滤清器_第2页
图片尺寸920x1191
东南汽车小课堂-空调滤芯不定期更换,等于慢性自杀!
图片尺寸500x372
更换空气滤芯,就是这么简单!
图片尺寸500x314
汽车空调/空气滤芯脏了,吹后还能用?
图片尺寸688x490
本除尘器采用脉冲反吹清灰方式,其工作原理是:当脉冲控制仪发出信号时
图片尺寸739x552
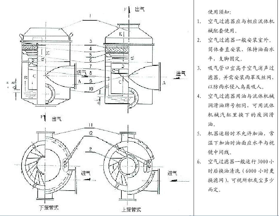
p>压缩机空气过滤器为一个钢板制成的立式圆桶容器.
图片尺寸933x722
所以理论上鼓风机工作后,吸进来的空气,确实会先被空调滤芯过滤.
图片尺寸933x489
科普——家用净水机怎么选更实用_水质_滤芯_的地区
图片尺寸736x497
空调滤芯vs空气滤芯,有啥区别?一图带你弄清楚!
图片尺寸1080x2604
各位大哥,想问一下,曼牌空气滤芯能不能不超两万公里换一次.用
图片尺寸700x700
空气清新器的原理,专家详述空气清新器如何实现"清新"
图片尺寸1032x767
滤芯工作图解
图片尺寸407x565
被动式吸附过滤式被动过滤式的工作原理是指机器将空气通过电机风扇
图片尺寸601x404
1.空气滤筒产品概述
图片尺寸583x341
空气滤清器 12-纸制滤芯 121313-上壳体 1515-下壳体 1515-带粗滤器进
图片尺寸1080x810
压缩空气精密过滤器使用说明书
图片尺寸920x1302