竖向分布筋

剪力墙竖向分布钢筋在基础中锚固
图片尺寸492x644
请问剪力墙不同高度内竖向分布筋不一样,软件怎么处理?如下图所示.
图片尺寸646x878
如何将地下室外墙竖向钢筋分3段绘制
图片尺寸655x500
如图该板筋的竖向筋应是分布筋a6200还是g8c8150
图片尺寸457x442
剪力墙竖向分布筋1a怎么在gtj2021中如何设置
图片尺寸788x882
这个墙体竖向分布筋怎么布置在软件中
图片尺寸394x471
这个暗柱里面的竖向分布筋是什么意思,还有信息是什么
图片尺寸338x449
暗柱 墙竖向分布筋
图片尺寸423x691
剪力墙结构约束边缘构件中剪头所指的竖向分布筋间距改为150怎么设置
图片尺寸567x599
剪力墙水平分布筋,竖直分布筋的起步位置?
图片尺寸856x610
墙体竖向分布筋怎么输入啊?
图片尺寸737x542
剪力墙约束边缘构件的墙体竖向分布筋和拉筋在广联达上具体要怎么布置
图片尺寸1320x542
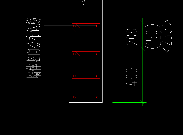
墙体竖向分布筋怎么输入啊?
图片尺寸709x721
剪力墙竖向分布筋搭接长度是如何计算的,格式怎么计算.
图片尺寸309x517
剪力墙两侧的竖向分布筋不一致,该如何定义
图片尺寸420x523
如图,该板筋的竖向筋应是分布筋a6@200还是g8(c8@150)?
图片尺寸305x295
分布筋
图片尺寸379x638
请问图中钢筋名称都是什么?
图片尺寸448x490
这类的墙身竖向分布筋直接拿暗柱绘制还是绘制到600就可以了,到绘制
图片尺寸383x459
预制剪力墙竖向分布钢筋连接构造示意
图片尺寸760x511