童车线路图

要求图上所画的功能都要用上,线路之间要用不同的颜色标明,谢
图片尺寸450x600
儿童电动车电路图分析如下
图片尺寸555x439
6v儿童电动车电路图
图片尺寸768x614
儿童车车头玩具的控制电路专利_专利申请于2011-02-2
图片尺寸1913x1820
一种具有空档功能的新型童车电机驱动电路
图片尺寸1301x940
校车嘀嘀嘀——耿镇第二幼儿园配校车了!
图片尺寸1080x698
幼儿园校车运行方案
图片尺寸762x539
一种具有空档功能的新型童车电机驱动电路的制作方法
图片尺寸1000x722
从这两张电动车线路图上可以看出,区别在于有无转换器.
图片尺寸501x502
一种童车脚踏开关安全控制电路制造技术
图片尺寸1000x345
兰州新亚中小学校车线路
图片尺寸680x510
小车童车智能避障系统的设计含电路图程序清单
图片尺寸568x792
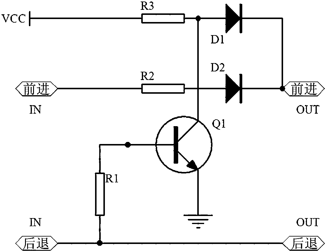
一种具有空档功能的童车电机驱动电路
图片尺寸1094x847
6v童车电瓶没电
图片尺寸658x655
遥控器接收器汽车儿童电动改装全车线路控制器6v12v童车配件大全
图片尺寸650x650
电动童车改装配件 童车线路儿童电动汽车改装配件玩具车控制器
图片尺寸800x800
灯带电路接线图
图片尺寸733x454
供应6v早教中文带流水闪童车功放线路板 音乐集成电路ic定制
图片尺寸574x400
首页 中国智造 家居,家纺,美容,母婴 母婴用品 童车,婴儿车
图片尺寸600x940
儿童电动汽车电动摩托车线路改装电动车控制器遥控器童车配件
图片尺寸2976x2976