筛板塔cad

筛板塔精馏实验简介
图片尺寸728x456
脉冲筛板塔
图片尺寸269x542
vst筛板塔
图片尺寸485x690
筛板塔
图片尺寸268x262
关于板式塔结构塔板类型筛板上气液接触状态你了解多少呢
图片尺寸640x349
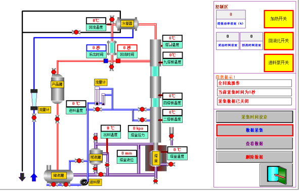
筛板精馏实验装置
图片尺寸479x651
1,筛板塔板
图片尺寸640x451
筛板萃取塔气体冷却塔泡罩塔板示意图浮舌塔板示意图浮舌塔板圆形泡罩
图片尺寸708x515
精馏设备板式塔快来看看够不够详细
图片尺寸640x291
板式塔
图片尺寸347x300
填料萃取塔塔式萃取设备内两相流路塔板类型塔板结构塔板操作示意筛板
图片尺寸720x524
板式塔塔盘气体通道|塔板|筛板|气液|流体|降液_网易订阅
图片尺寸364x223
板式塔结构塔板类型筛板上气液接触状态一文让你全了解
图片尺寸1080x522
各式反应塔基础知识汇总板式塔填料塔精馏塔吸收塔萃取塔
图片尺寸960x720
填料萃取塔筛板萃取塔特点:处理量大,结构简单,造价低廉,广泛应用于
图片尺寸367x419
筛板精馏实验装置
图片尺寸591x379
板式塔塔盘气体通道|塔板|筛板|气液|流体|降液_网易订阅
图片尺寸660x215
筛板塔,泡罩塔,浮阀塔.
图片尺寸640x447
油脂脱臭工艺的发展历史
图片尺寸417x566
动图 视频=全面的精馏塔与塔板的结构,原理及操作
图片尺寸640x499