简易型钢导梁架图解

简易型钢导梁架设法
图片尺寸358x277
免费文档 所有分类 箱梁安装方案 ③ sdlb90t/40m型架桥机箱梁安装 箱
图片尺寸705x559
六四军用梁组装双导梁架桥机架梁的应用技术
图片尺寸485x405
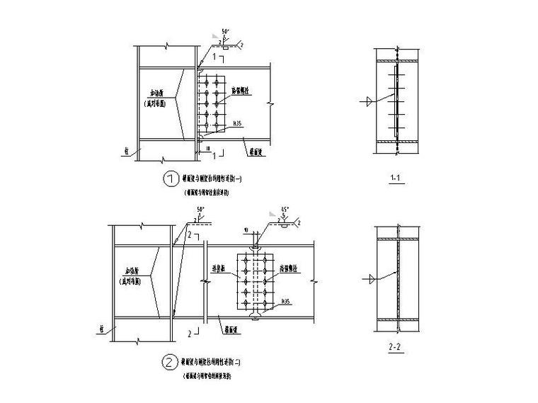
cn206901599u_一种土建工程钢架梁结构失效
图片尺寸1804x1309
门式刚架-主结构(刚架)节点详图cad
图片尺寸760x569
jhkz-tl07单管侧纵向抗震支吊架(钢结构)
图片尺寸750x750![[分享]空心板架构桥设计图资料免费下载](https://i.ecywang.com/upload/1/img0.baidu.com/it/u=1238620507,220843056&fm=253&fmt=auto&app=138&f=JPEG?w=560&h=227)
[分享]空心板架构桥设计图资料免费下载
图片尺寸560x227
铁路站前工程总体实施性施工组织设计206页(路桥涵隧 轨道站场)
图片尺寸560x340
导架示意图
图片尺寸560x183
在275 m长的支架平台上拼装钢梁,拼装按照导梁→钢桁梁→钢桁梁→辅助
图片尺寸512x350
一种用于大悬臂盖梁信息化施工的型钢支撑架
图片尺寸1685x1275
门式刚架-主结构(刚架)节点详图cad
图片尺寸760x569
一种钢结构建筑横梁支撑架的制作方法
图片尺寸1000x680
本法具备了联合架桥机的一切优点,并且不需要托架及墩顶龙门,整机性能
图片尺寸503x219
单跨门式钢架厂房设计参考图
图片尺寸560x420
型钢悬挑脚手架工程安全技术培训讲义
图片尺寸1040x720
什么是轻型钢屋架?
图片尺寸630x448
关于悬挑脚手架的结构形式: 1,型钢悬挑脚手结构形式一般有悬臂梁式
图片尺寸283x408
钢板桩导向架示意图
图片尺寸560x420![[讲义总结]波形钢腹板预应力混凝土箱形连续梁桥设计](https://i.ecywang.com/upload/1/img1.baidu.com/it/u=761244264,3865504011&fm=253&fmt=auto&app=138&f=JPEG?w=641&h=364)
[讲义总结]波形钢腹板预应力混凝土箱形连续梁桥设计
图片尺寸641x364