管制图例子

图18 管制图异常现象示例
图片尺寸773x361
qc七大手法管制图.docx
图片尺寸1425x1007
spc管制图(x-bar-r-bar实例参考)
图片尺寸1207x728
qc七大手法之管制图
图片尺寸602x321
【实例】控制图技术及其实战应用详解
图片尺寸1366x590
mes中质量管理模块的研究与应用
图片尺寸479x280
图表:两个p控制图比较:用例子把minitab的使用变简单
图片尺寸1728x1080
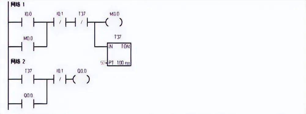
plc编程实例4个基本控制电路设计方法教你吃透控制原理
图片尺寸1000x372
这里用一个具体例子来解释什么是控制图.
图片尺寸1078x515
计量控制图示例
图片尺寸626x311
np 控制图
图片尺寸360x240
为什么控制图必须受控 | why you need your control
图片尺寸576x384
c 控制图示例
图片尺寸360x240
『软件测试4』耗子尾汁!2021年了,你还不知道这4种白盒测试方法吗?
图片尺寸1280x720
累积和控制图
图片尺寸360x240
1-2自动控制系统示例
图片尺寸1080x810
dapr-4: 交通管制示例应用 - 冠军 - 博客园
图片尺寸1070x1009
xbar-r控制图模板(分析阶段-双限:无偏移)
图片尺寸1243x785
控制图
图片尺寸450x279
为了更加形象,直观地学习并应用电气自动控制系统,本
图片尺寸640x868