管钳装配图拆画

一种管钳的省力拆卸方法与流程
图片尺寸1968x1911
专利详情
图片尺寸905x1000
17机用虎钳装配图
图片尺寸1057x722
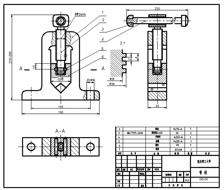
填空题读管钳装配图并回答问题件2螺杆与件5滑块属于联接件2螺杆和件1
图片尺寸671x563
分体结构式管钳-爱企查
图片尺寸1959x802
管钳ug三维装配模型
图片尺寸617x523
上机操作习题12 1,上机操作练习:装配如下图所示管钳组件
图片尺寸3364x2481
一种pvc管子割刀的制作方法
图片尺寸444x422
机械装配图纸:"简易平口钳"
图片尺寸1080x755
代画减速机齿轮油泵管钳千斤顶
图片尺寸1080x1440
图纸来了:平口钳.#技术分享 #图纸 #solidworks - 抖音
图片尺寸1440x2194
千斤顶管钳
图片尺寸1618x2050
管钳装配体带螺旋传动
图片尺寸820x485
怎么用autocad画管钳装配图(附带图)
图片尺寸1600x900
题目:请由图一管钳的装配图拆画件1钳座,件6滑块的零件图,比例1:1.
图片尺寸779x662
摘要附图摘要本实用新型涉及一种液压油管钳颚板辅助
图片尺寸1315x1379
图纸来了:手动夹钳.#机械设计 #图纸 #技术分享 - 抖音
图片尺寸1440x2560
管钳三维模型图
图片尺寸285x318
ridgid里奇管钳零件
图片尺寸1280x723
图纸来了:g型加紧钳.#图纸 #solidworks #机械 - 抖音
图片尺寸1440x2198