粗糙度图纸

表面粗糙度及其标注
图片尺寸1396x1577
常用零部件表面粗糙度标注及表面处理技术
图片尺寸1359x737
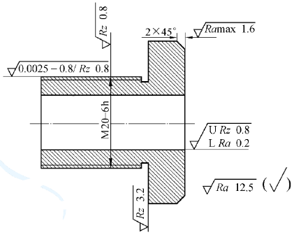
机械制图 粗糙度的标注怎么错了
图片尺寸816x612
判断图中表面粗糙度标注是否全部正确.
图片尺寸752x641![【多选题】下图表面粗糙度标注中,正确的有()? [图]a,ab,.](https://i.ecywang.com/upload/1/img0.baidu.com/it/u=2869154885,2673906134&fm=253&fmt=auto&app=138&f=JPEG?w=496&h=414)
【多选题】下图表面粗糙度标注中,正确的有()? [图]a,ab,.
图片尺寸496x414
粗糙度表示图纸
图片尺寸425x304
问一下大伙 这个粗糙度标注方法可以吗
图片尺寸900x1600
表面粗糙度的标注
图片尺寸1080x810
在下列手轮零件图中,标注的表面结构要求(表面粗糙度)共有多少种?
图片尺寸890x647
画出来是指哪里的粗糙度?
图片尺寸1344x760
表面粗糙度
图片尺寸278x171
机械设计:关于粗糙度的标注,设计图纸上只有一个要求,ra3.
图片尺寸450x351
表面粗糙度的标注
图片尺寸920x1302
试将下列表面粗糙度要求标注在图所示的圆锥齿轮坯上其余技术要求均
图片尺寸822x413
粗糙度简介
图片尺寸545x257
机械制图-4.4表面粗糙度代(符)号在图样上的标注方法
图片尺寸356x327
零件加工精度与表面粗糙度的关系
图片尺寸1535x1222
试将下列表面粗糙度轮廓技术要求标注在图153所示的机械加工的零件
图片尺寸421x336
p>表面粗糙度(surface roughness)是指加工表面具有的较小间距和微小
图片尺寸278x171
表面粗糙度的标注
图片尺寸1080x810