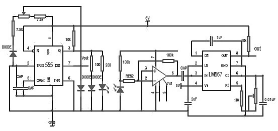
红外对管电路

红外对管使用电路
图片尺寸535x384
红外对管电路图.jpg
图片尺寸700x344
红外对管电路
图片尺寸481x222
红外对管电路
图片尺寸554x190
红外对管电路
图片尺寸852x527
红外对管电路
图片尺寸553x262
红外对管电路
图片尺寸478x256
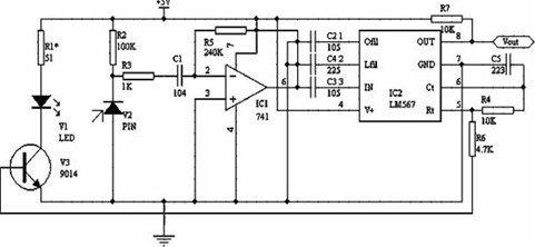
红外收发对管电路
图片尺寸485x258
红外发射接收对管电路
图片尺寸429x527
红外对管电路
图片尺寸289x146
红外收发对管电路.doc 2页
图片尺寸792x1120
请问一下这个红外对管电路原理是什么呢?有什么优势?
图片尺寸1278x511
红外对管电路
图片尺寸903x530
求908红外对管,接收管信号处理电路.
图片尺寸1558x694
红外收发对管电路
图片尺寸381x280
红外对管模块的电路原理图-电子发烧友网
图片尺寸824x549
红外收发对管电路图
图片尺寸450x253
电路原理图传感器的红外发射二极管(1-2处)不断发射红外线,当发射出的
图片尺寸650x570
模拟电路设计 详情 762703 这种红外发射和接收对管在小车,机器人
图片尺寸1355x658
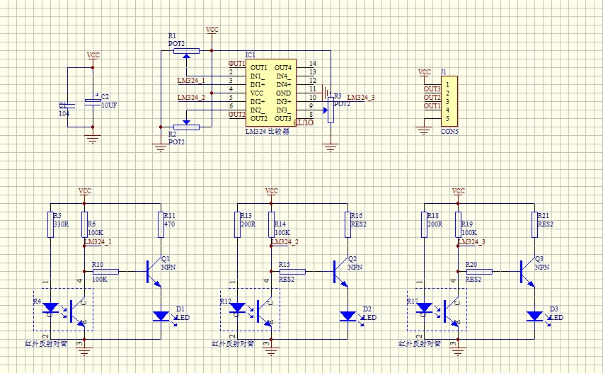
文档下载 所有分类 工程科技 电子/电路 > 红外对管在机器人中的应用
图片尺寸799x344