线切割机床 原理

一,线切割机床工作原理 tsinghua university tsinghua university
图片尺寸1080x810
电火花切割编程加工-任务一 认识电火花线切割机床
图片尺寸749x376
计算机软件及应用 数控线切割编程ppt 一,线切割机床的加工原理
图片尺寸1080x810
本文介绍了快走丝线切割加工原理和加工的特点,分析了电参数对加工
图片尺寸866x489
线切割技术加工原理
图片尺寸609x259
线切割机床的加工原理 如图所示,为数控线切割机床加工的工作原理图
图片尺寸1080x810
一,实验目的 1,熟悉数控线切割和电火花加工加工的原理,特点,应用和
图片尺寸678x353
数控线切割机床的操作与编程ppt
图片尺寸1080x810
hckx250a型数控快走丝线切割机床
图片尺寸340x344
一种单丝筒电火花线切割机床制造技术
图片尺寸1000x849
原理: 线切割加工原理图 v 脉冲 电源 x y
图片尺寸1080x810
一种精密数控中走丝线切割机床的制作方法
图片尺寸1000x955
数控线切割机床的结构应用和工作原理简介
图片尺寸553x330
线切割机床|线切割|线切割机|中走丝线切割
图片尺寸511x391
数控快走丝线切割机床组成示意图
图片尺寸367x343
高速往复走丝电火花线切割技术发展趋势
图片尺寸472x326
数控电火花线切割机床的特点种类功能和主要技术参数
图片尺寸460x288
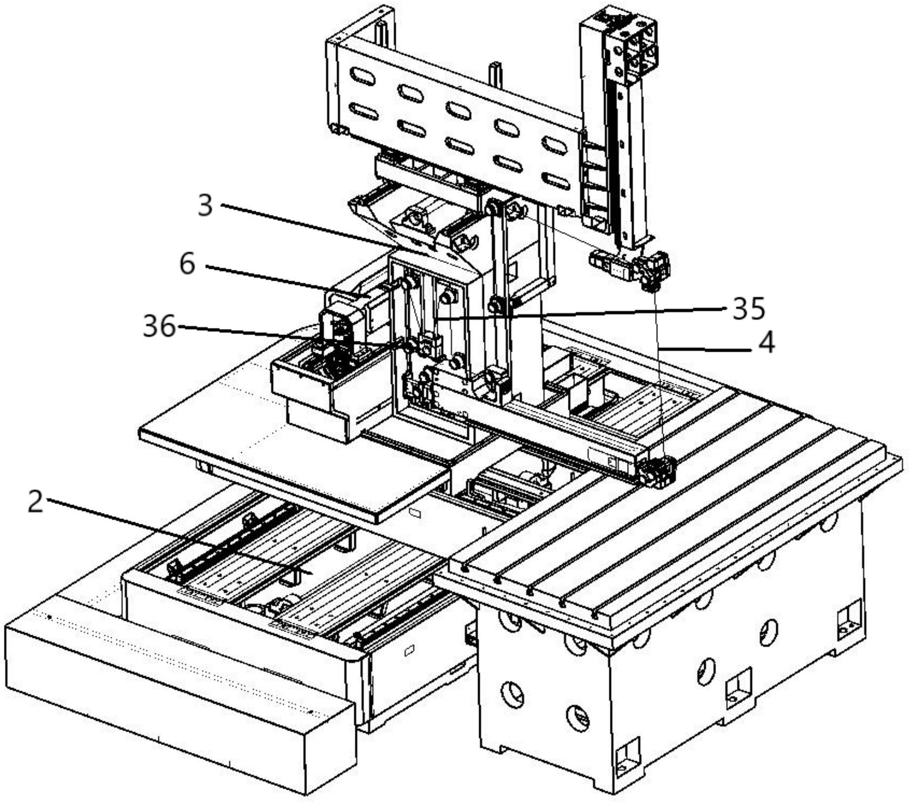
数控电火花线切割机床的制作方法
图片尺寸421x443
cn212217364u_一种电火花线切割机的切割线张紧机构有效
图片尺寸1842x1632
dk7763tm中走丝线切割机床高效控制机床直线导轨步进电机
图片尺寸866x422