线割工艺品图纸

水果刀具cad图纸模型diy激光线切割钳工手工机械制作艺术品
图片尺寸794x687
做线割也要有很高超得识图能力,不然许多东西就干不出来!#五金
图片尺寸1440x1920
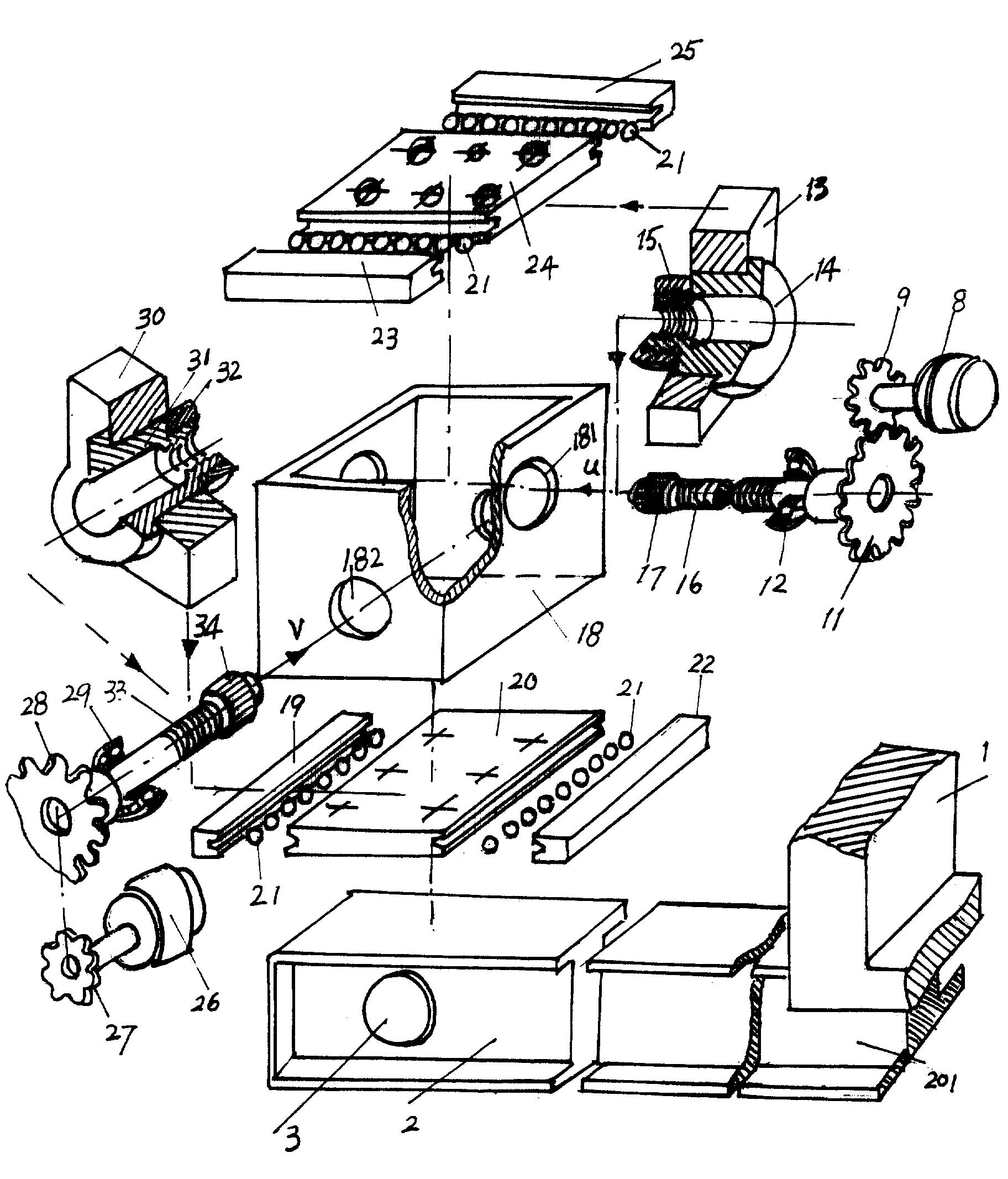
电火花线切割加工方法和装置
图片尺寸1694x2570
求线切割自行车的编程
图片尺寸1360x726
谁有线切割匕首图纸发个给我
图片尺寸867x642
一种电线电缆加工用切割装置的制作方法
图片尺寸967x1000
中国龙与立体组装龙线切割图纸
图片尺寸881x619
求这个图的线切割3b程序
图片尺寸576x1024
水果刀具cad图纸模型diy激光线切割钳工手工机械制作艺术品
图片尺寸965x673
水果刀具cad图纸模型diy激光线切割钳工手工机械制作艺术品
图片尺寸1048x696
图片尺寸580x585
水果刀具cad图纸模型diy激光线切割钳工手工机械制作艺术品
图片尺寸1033x658
水果刀具cad图纸模型diy激光线切割钳工手工机械制作艺术品
图片尺寸970x655
金工实习金属线切割切一个上海龙之队的队标成品已到手
图片尺寸1080x1920
周末了,来几张线切割趣味图纸
图片尺寸858x643
求线切割3b编程程序,如图
图片尺寸1280x1024
水果刀具cad图纸模型diy激光线切割钳工手工机械制作艺术品
图片尺寸937x675
电火花线切割机床的锥度头
图片尺寸1824x2133
线切割图纸分解
图片尺寸415x595
激光切割的工艺品图纸,有需要的可以私信我,免费送!#激光切割
图片尺寸1179x2556