线路图片大全

高清印刷线路板背景墙
图片尺寸1024x768
爱好线路研究收藏的朋友可不要错过了.
图片尺寸1602x1019
铁路线路图片_铁路线路图片大全_铁路线路图片素材
图片尺寸233x350
铁路线路图片_铁路线路图片大全_铁路线路背景图片
图片尺寸233x350
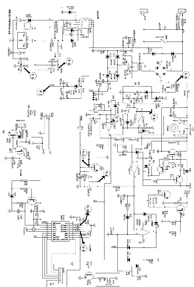
苏泊尔电磁炉线路图集
图片尺寸648x959
西藏旅行线路地图大全
图片尺寸864x1999
2018年值得收藏的全国经典自驾游线路大全集锦
图片尺寸640x454
行车线路
图片尺寸260x380
运输线路图片
图片尺寸450x300
电动车线路图大全
图片尺寸750x525
"线路板"
图片尺寸260x260
雪山下的输电线路
图片尺寸525x350
lm1875功放线路图大全
图片尺寸426x278
电动车线路图大全
图片尺寸670x512
日本jr线路图片
图片尺寸450x300
电动车线路图大全
图片尺寸893x428
电流输电线路指定用于电力传输它在城市建设区进行图片
图片尺寸477x300
12张进藏旅行线路图大全
图片尺寸640x1446
电动车线路图大全
图片尺寸750x785
高压线,线路,送电,电力,铁塔,月亮,光明
图片尺寸524x350