绞线机电路图

线型绞车液压系统由液压动力泵站, 夹钳液压控制系统, 卷缆机液压控制
图片尺寸1022x877
一种悬臂式电缆绞线机
图片尺寸1923x1449
图片尺寸2409x1268
双速风机高低速接线与工作原理详解
图片尺寸1129x840
常用电机接线方式
图片尺寸1080x1289
三相电机电路图大揭秘:工作原理全解析
图片尺寸1046x892
一种新式绞线机
图片尺寸2464x1130
图片尺寸1016x806
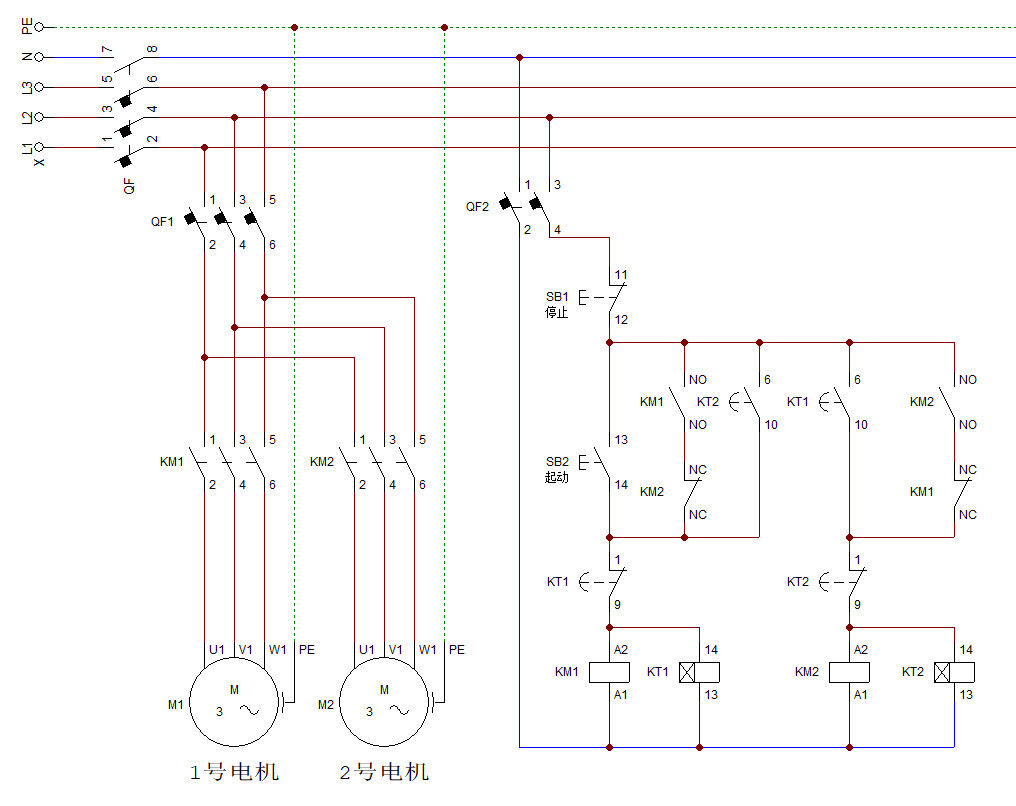
松开电机停止 总得来说,电机m1是连续运转电路,电机m2是点动,但是电机
图片尺寸1171x690
图2-5 一台变频器控制多台电动机并联运行的线路
图片尺寸1886x1742
起重电机串电阻:多设备应用与优缺点分析
图片尺寸751x732
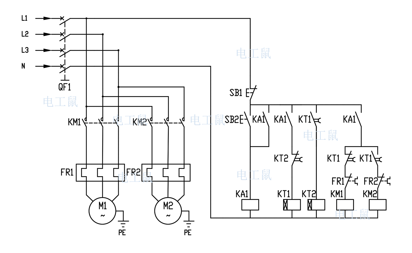
电工电路 这两个电路的功能都是两台电机的循环启动运行 不同点在于
图片尺寸1631x1005
皮带运输机主电路及控制电路
图片尺寸2938x1280
卷扬机点动控制线路接线方法电工知识编程电工plc编程plc教学
图片尺寸1080x1440
包括绞线机自动控制装置,图像监测模块和绞线机自动控制电路,所述自动
图片尺寸1844x727
一种笼式绞线机的制作方法
图片尺寸443x322
6/4型双速风机主接线及工作原理
图片尺寸1080x1073
电工电路分享,手自切换星三角降压启动
图片尺寸1920x1080
22kw及以下卷扬机用y
图片尺寸663x611
引风机电动机基本控制电路
图片尺寸1709x1464