绞线机线路图

线型绞车液压系统由液压动力泵站, 夹钳液压控制系统, 卷缆机液压控制
图片尺寸1022x877
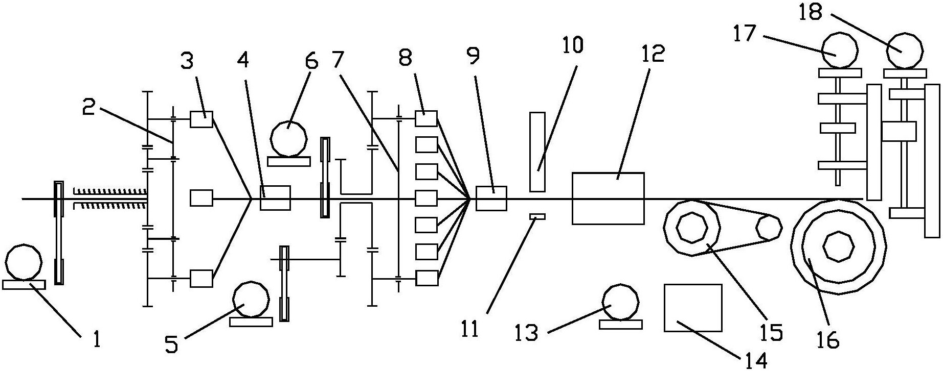
一种悬臂式电缆绞线机
图片尺寸1923x1449
plc 200 系列224xp 矿用提升绞车原理图
图片尺寸4296x2808
卷扬机接线,零基础学电工
图片尺寸1080x1440
一种麻花针绞线机自动控制系统
图片尺寸1844x727
一种hdmi线缆的立式绞线机
图片尺寸2064x1344
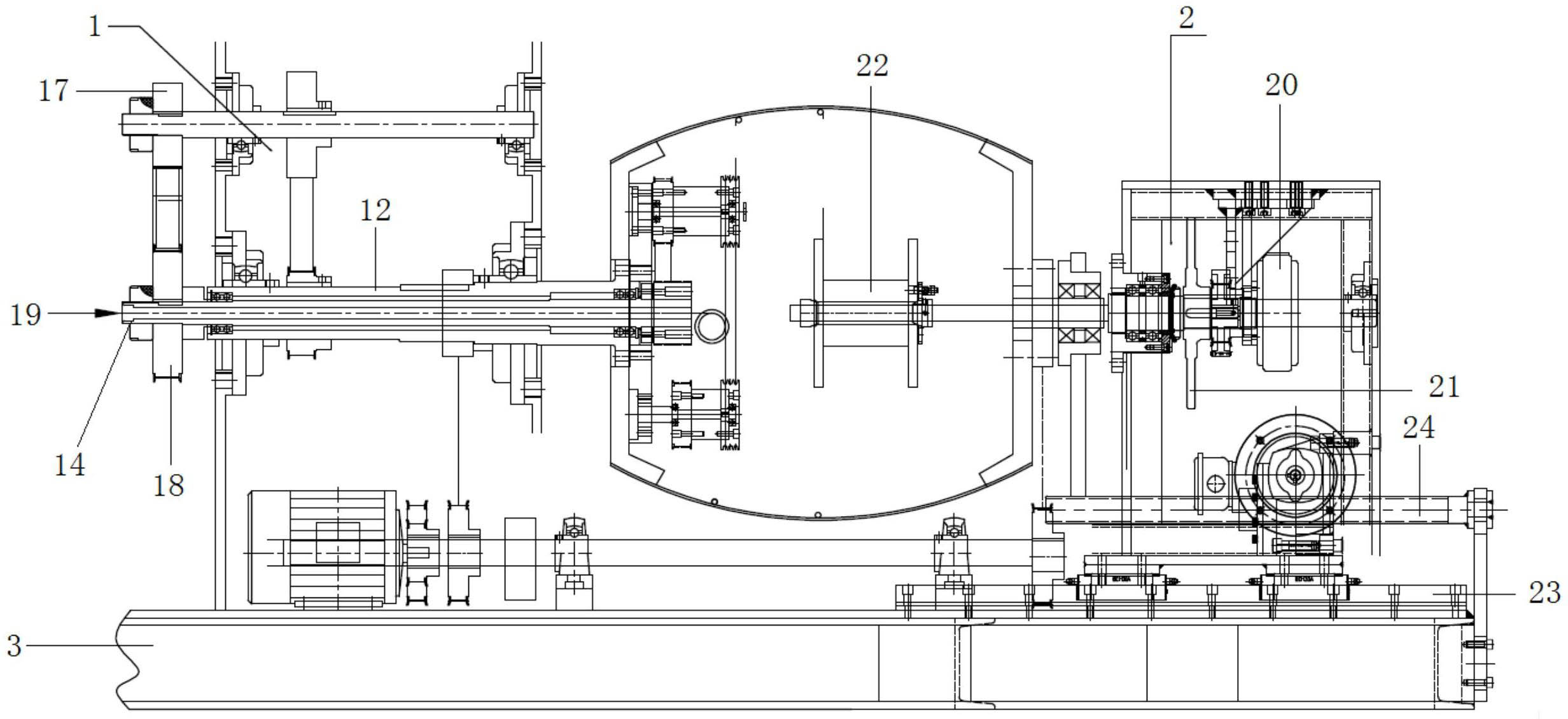
一种新式绞线机
图片尺寸2464x1130
图片尺寸2409x1268
(图14 单相电容电动机线路)
图片尺寸1080x1289
卷扬机点动控制线路接线方法电工知识编程电工plc编程plc教学
图片尺寸1080x1440
2️⃣ 可逆运行反接制动控制线路,实现双向操作
图片尺寸473x426
电工技术学习
图片尺寸1107x789
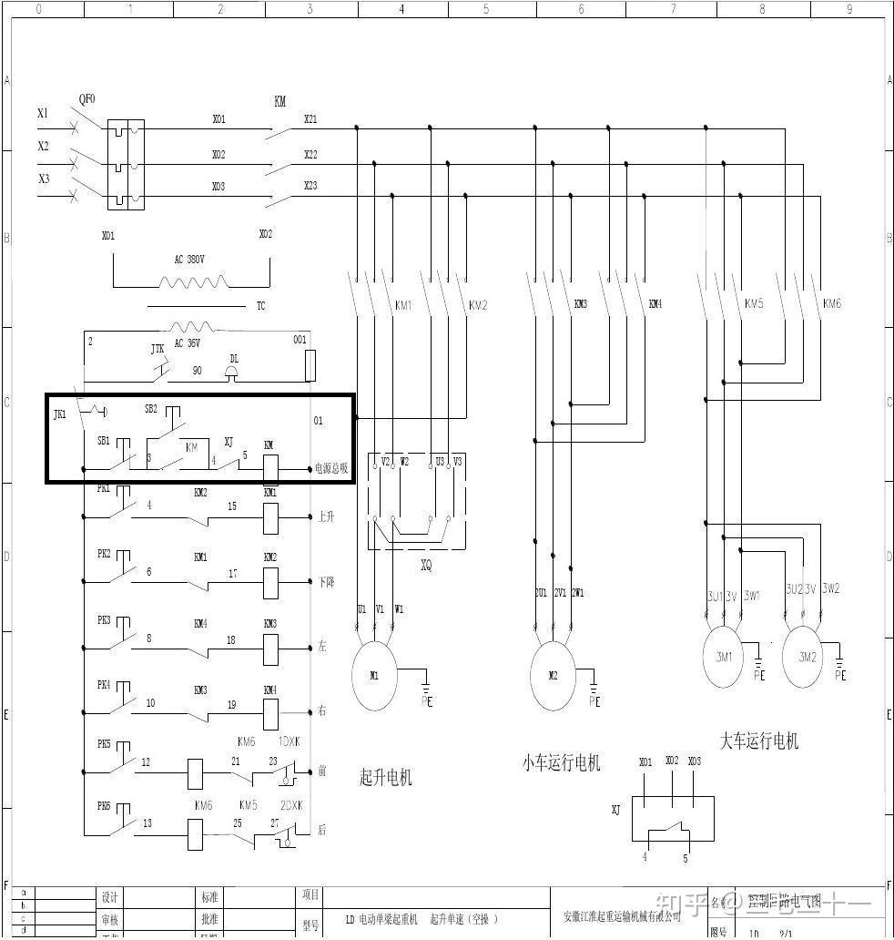
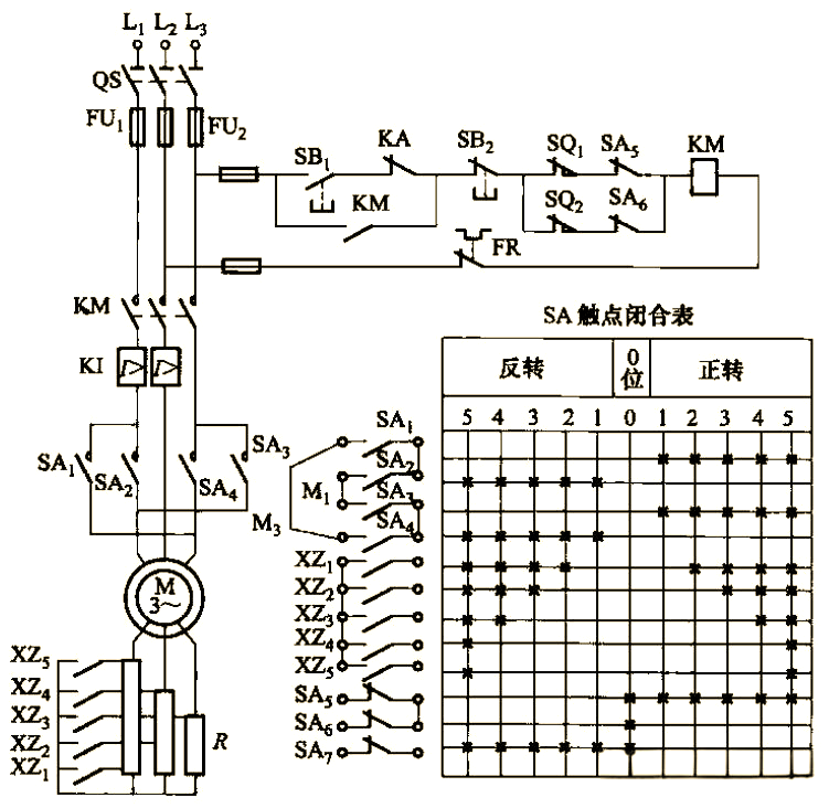
单梁起重机电气原理
图片尺寸982x1032
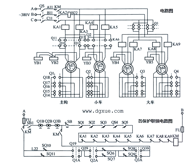
10t桥式起重机电路详解:安全与性能的双重保障
图片尺寸683x569
对绞机-爱企查
图片尺寸2616x1574
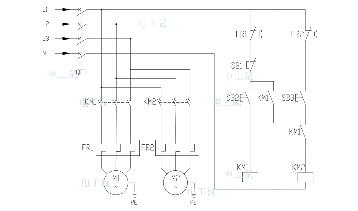
延时停止的控制线路油压联锁辅泵起机示意图三台电机m1,m2,m3分别由km
图片尺寸1171x690
双速风机高低速接线与工作原理详解
图片尺寸1129x840
起重电机串电阻:多设备应用与优缺点分析
图片尺寸751x732
卷扬机点动控制线路接线方法
图片尺寸1080x1440
机接线图环链双速葫芦控制电路图环链电动葫芦接线kito电动葫芦500kg
图片尺寸1280x1280