缓冲电路图

求助一个ne5532的简单前级缓冲图.
图片尺寸566x479
调音台输出电路中的缓冲
图片尺寸546x543
缓冲电路的介绍
图片尺寸612x284
1,6z4缓冲电路图.gif
图片尺寸762x411
缓冲电路
图片尺寸637x367
cn101399545a_低功率缓冲电路有效
图片尺寸1172x1420
宽带高阻缓冲器-电路图-aet-中国科技核心期刊-最丰富的电子设计资源
图片尺寸1021x673
6dj8低压缓冲器电路图可用于胆结石
图片尺寸799x393
cn112000169a_一种电流缓冲器电路及其应用在审
图片尺寸1443x1421
一种输入缓冲器电路的制作方法与工艺
图片尺寸1000x714
高输入阻抗缓冲放大器–电路图–电子工程世界
图片尺寸610x500
图3 rcd 缓冲电路
图片尺寸394x292
多路缓冲放大电路
图片尺寸1223x978
cn101204008a_缓冲电路有效
图片尺寸1521x987
cn102195635a_可提高稳定性的输出缓冲电路失效
图片尺寸1724x1948
快速提升输出电流的电压缓冲电路及系统技术方案
图片尺寸963x1000
三态输出缓冲器的栅极控制电路
图片尺寸813x1576
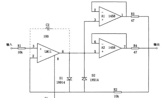
mc1458构成的精密复合缓冲器电路图
图片尺寸651x433
cn209928303u_电压缓冲电路有效
图片尺寸1000x392
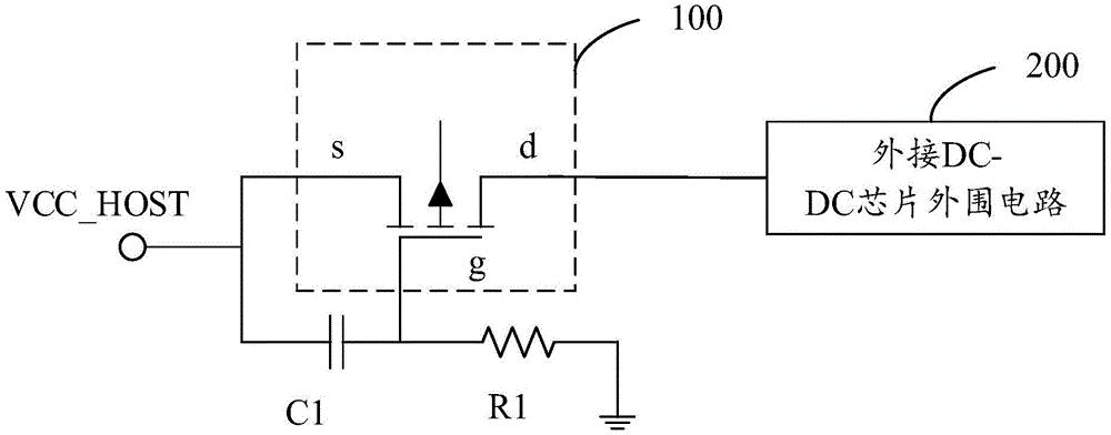
内嵌输入缓冲器的超高速自举开关电路的制作方法
图片尺寸1000x844