缸体零件图答案

求单作用活塞液压缸零件图,谢谢!
图片尺寸840x344
08王静图集液压缸
图片尺寸1827x1306
可以给我发一液压缸的cad零件图吗
图片尺寸854x480
液压缸缸体.pdf
图片尺寸800x566
a3缸体零件图pdf
图片尺寸800x566
缸体,零件,机械,加工,工艺,规程,以及,气缸,底面,工装,夹具,设计
图片尺寸900x675
油缸 零件图.pdf
图片尺寸800x566
凿岩机缸体零件图
图片尺寸820x646
缸体零件图pdf
图片尺寸800x566
大型水轮机调速液压系统设计
图片尺寸830x654
道奇t110总泵缸体加工设计-夹具设计(两套夹具钻 车夹具)
图片尺寸300x225
缸体
图片尺寸723x505
1套油缸图纸(含材料清单,零件详图)-液压油缸-液压圈
图片尺寸2339x1653
一种液压缸图纸
图片尺寸655x450
cn1118409a_气缸体失效
图片尺寸2144x1728
设计液压缸,谁能说一下每个要用什么材料啊
图片尺寸835x366
缸径93mm液压缸装配图
图片尺寸756x544
液压缸种类
图片尺寸2183x1064
液压缸装配图样本
图片尺寸1083x671
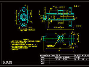
零件图-缸体.dwg
图片尺寸1200x800