网纹辊与刮墨刀

辊涂刮墨刀印刷刮墨皮刀不伤网纹辊亿泰
图片尺寸800x800
常州油墨刮刀马鞍山优创机械ad油墨刮刀
图片尺寸600x488
刮墨刀与网纹辊的水平有多重要?
图片尺寸1032x582
使用网纹辊和油墨刮刀要注意的问题
图片尺寸700x762
刮墨刀与网纹辊的水平有多重要?
图片尺寸1036x746
印花油性丝网印刷手工刮条胶条刮胶木柄花印刮刀刮刀
图片尺寸800x800
印刷机油墨刮刀刮墨刀凹印机配件油墨刮刀片低速中速进口碳钢油墨刮刀
图片尺寸790x592
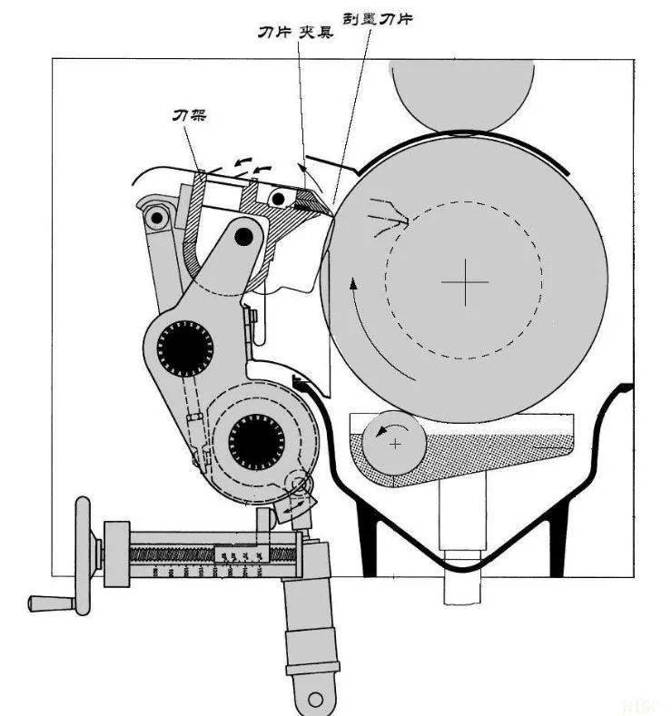
刮墨刀
图片尺寸750x751
网纹辊,分类,青岛博发科技有限公司|模切胶垫|送纸轮|太阳轮|塑料刮墨
图片尺寸782x1739
刮墨刀 油墨刮刀 印刷机刮刀片 凹印机刮墨刀片 日本刮刀 100米
图片尺寸750x750
油墨刮刀价格申瑞机械辽宁油墨刮刀
图片尺寸600x488
陶瓷网纹辊等离子喷涂 印刷机网纹辊件 涂布辊 钢辊表面耐磨处理
图片尺寸1200x800
瑞士mdc原装油墨刮刀 长寿命陶瓷刮墨刀 涂层刮刀 高中低速刮刀
图片尺寸800x800
油墨刮刀的分类以及不同作用
图片尺寸400x400
厂家供应凹印油墨刮刀定制塑料涂布网纹辊印刷凹印刮墨刀印刷刮刀
图片尺寸800x800
油墨刮刀
图片尺寸580x416
起皱刮刀钢带涂布刮刀油墨刮刀
图片尺寸800x1066
油墨刮刀
图片尺寸640x480
干货如何辨别刮墨刀的优劣
图片尺寸740x789
0成交0盒现货供应油墨刮刀 凹版印刷机配件刮墨刀 网纹辊塑料刮墨刀
图片尺寸800x800